GD20-1R5G-S2-EU 1,5kW

Zpět
Další
- Kompletní specifikace
- Ke stažení
GD20-1R5G-S2-EU 1,5kW4 175 Kč/ ks3 450 Kč bez DPH
Kompletní specifikace
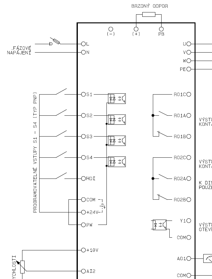
- Výstupní výkon 1,5kW
- Výstupní proud 7,5A
- Napájení 1x230V
- Výstupní napětí regulované, max. 3x230VAC
- Vektorové řízení bez zpětné vazby (možnost autotuningu motoru), skalární řízení
- Bezpečnostní funkce STO (Safe Torque Off) SIL2/3
- Rozběhový moment motoru 150% od 0,5Hz
- Komunikace RS485 s protokolem Modbus RTU / ASCII
- Brzdný tranzistor pro <=37kW – pro připojení brzdného rezistoru
- Kompaktní provedení, malá zástavba
- PID regulace
- Standardní LED panel s potenciometrem, vyjímatelný panel pro >=4kW
- Vestavěný odrušovací filt kat. C3 pro >=4kW (možno nezapojit)
Aplikace:
Regulace tlaku, baličky, odstředivky, drátovky, dopravníky, ventilátory, čerpadla, navíječe, výrobní linky a další.
Průmyslová odvětví: potravinářství, textilní průmysl, tiskárny, papírny, plastikářský průmysl, HVAC.
OBVYKLE SKLADEM
Zboží zařazeno v kategoriích
Ke stažení


