GD20-0R7G-S2-EU 0,75kW

Zpět
Další
- Kompletní specifikace
- Ke stažení
GD20-0R7G-S2-EU 0,75kW3 328 Kč/ ks2 750 Kč bez DPH
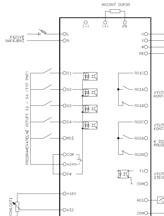
Kompletní specifikace
Zboží zařazeno v kategoriích
Ke stažení
Aplikace:
Regulace tlaku, baličky, odstředivky, drátovky, dopravníky, ventilátory, čerpadla, navíječe, výrobní linky a další.
Průmyslová odvětví: potravinářství, textilní průmysl, tiskárny, papírny, plastikářský průmysl, HVAC.
OBVYKLE SKLADEM

Z&Z Dřevohostice s. r. o.
Dolní 469
751 14 Dřevohostice
