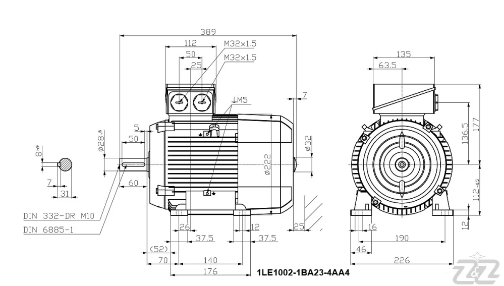
Elektromotor INNOMOTICS, 4kW, 2945ot., 1LE1002-1BA23-4AA4
- TOP produkt

Zpět
Další
- Kompletní specifikace
Elektromotor INNOMOTICS, 4kW, 2945ot., 1LE1002-1BA23-4AA48 470 Kč/ ks7 000 Kč bez DPH
Kompletní specifikace
Velikost (osová výška): 112
Výkon: 4 kW
Otáčky: 2935 min-1
Napětí: 400/690V, 50Hz
Ložisko strana D 6206 2ZC3
Ložisko strana ND 6206 2ZC3
Krytí: IP55
Vyvážení motoru: stupeň vibrací A
Standardní nátěr: odstín RAL 7030
Váha: 25kg
OBVYKLE SKLADEM
Zboží zařazeno v kategoriích

