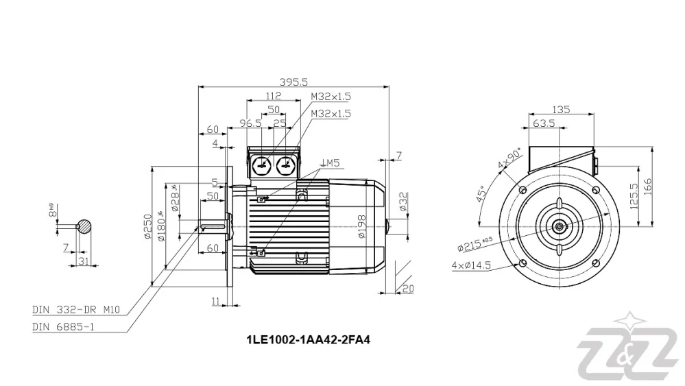
Elektromotor INNOMOTICS, 3kW, 2920ot., 1LE1002-1AA42-2FA4
- TOP produkt

Zpět
Další
- Kompletní specifikace
Elektromotor INNOMOTICS, 3kW, 2920ot., 1LE1002-1AA42-2FA47 410 Kč/ ks6 124 Kč bez DPH
Kompletní specifikace
Velikost (osová výška): 100
Výkon: 3 kW
Otáčky: 2835 min-1
Napětí: 230/400V, 50Hz
Ložisko strana D 6206 2ZC3
Ložisko strana ND 6206 2ZC3
Krytí: IP55
Vyvážení motoru: stupeň vibrací A
Standardní nátěr: odstín RAL 7030
Váha: 20kg
OBVYKLE SKLADEM
Zboží zařazeno v kategoriích

