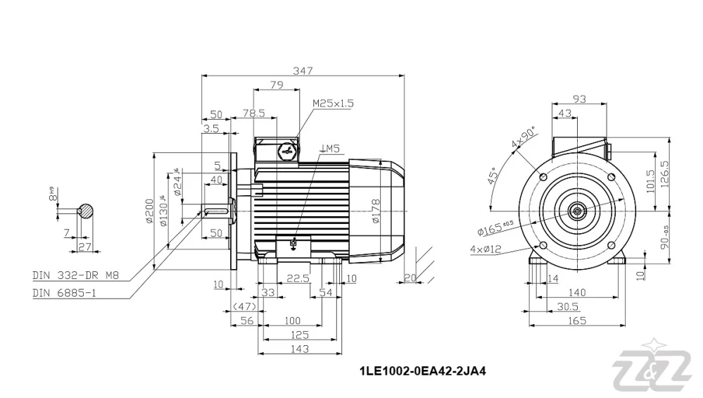
Elektromotor INNOMOTICS, 2,2kW, 2910ot., 1LE1002-0EA42-2JA4
- TOP produkt

Zpět
Další
- Kompletní specifikace
Elektromotor INNOMOTICS, 2,2kW, 2910ot., 1LE1002-0EA42-2JA46 714 Kč/ ks5 549 Kč bez DPH
Kompletní specifikace
Velikost (osová výška): 90
Výkon: 2,2 kW
Otáčky: 2855 min-1
Napětí: 230/400V, 50Hz
Ložisko strana D 6205 2ZC3
Ložisko strana ND 6004 2ZC3
Krytí: IP55
Vyvážení motoru: stupeň vibrací A
Standardní nátěr: odstín RAL 7030
Váha: 14kg
OBVYKLE SKLADEM
Zboží zařazeno v kategoriích

