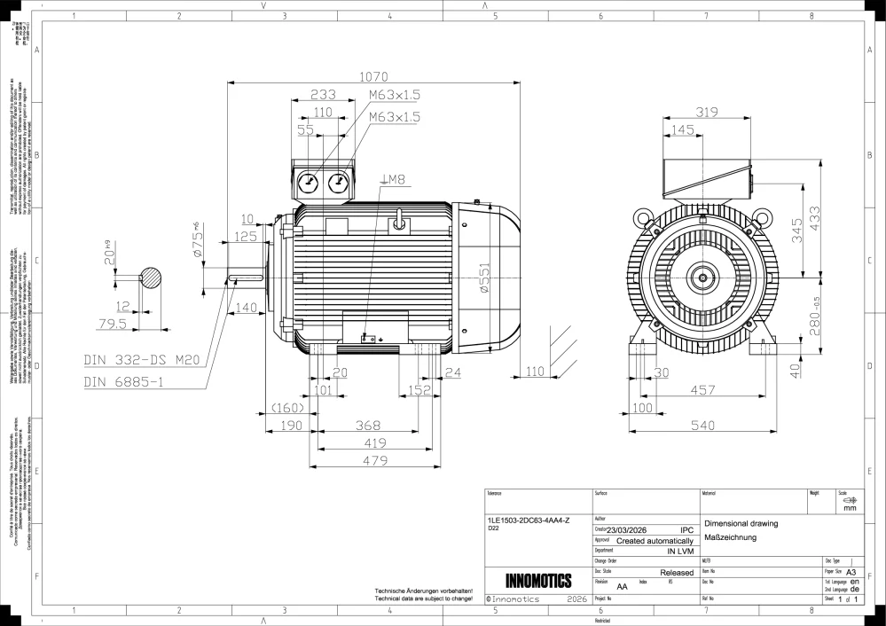
Elektromotor INNOMOTICS 75kW, 988ot., 1LE1503-2DC63-4AA4

Zpět
Další
- Kompletní specifikace
Elektromotor INNOMOTICS 75kW, 988ot., 1LE1503-2DC63-4AA4255 879 Kč/ ks211 470 Kč bez DPH
Kompletní specifikace
Velikost (osová výška): 280
Výkon: 75 kW
Otáčky: 988 min-1
Napětí: 400/690V, 50Hz
Ložisko strana D 6317 C3
Ložisko strana ND 6317 C3
Krytí: IP55
Vyvážení motoru: stupeň vibrací A
Standardní nátěr: odstín RAL 7030
Váha: 630kg
TERMÍN DODÁNÍ: 4 TÝDNY
Zboží zařazeno v kategoriích

