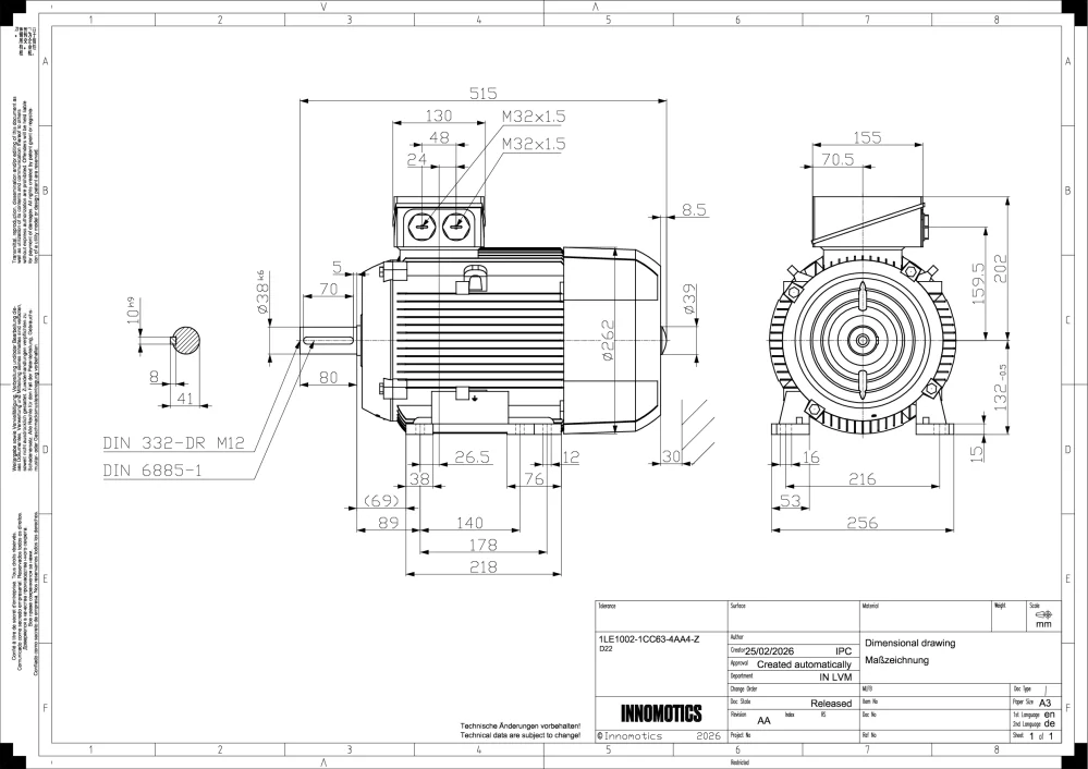
Elektromotor INNOMOTICS 7,5kW, 950ot., 1LE1002-1CC63-4AA4

Zpět
Další
- Kompletní specifikace
Elektromotor INNOMOTICS 7,5kW, 950ot., 1LE1002-1CC63-4AA422 320 Kč/ ks18 446 Kč bez DPH
Kompletní specifikace
Velikost (osová výška): 132
Výkon: 7,5 kW
Otáčky: 950 min-1
Napětí: 400/690V, 50Hz
Ložisko strana D 6208 2ZC3
Ložisko strana ND 6208 2ZC3
Krytí: IP55
Vyvážení motoru: stupeň vibrací A
Standardní nátěr: odstín RAL 7030
Váha: 54kg
OBVYKLE SKLADEM
Zboží zařazeno v kategoriích

