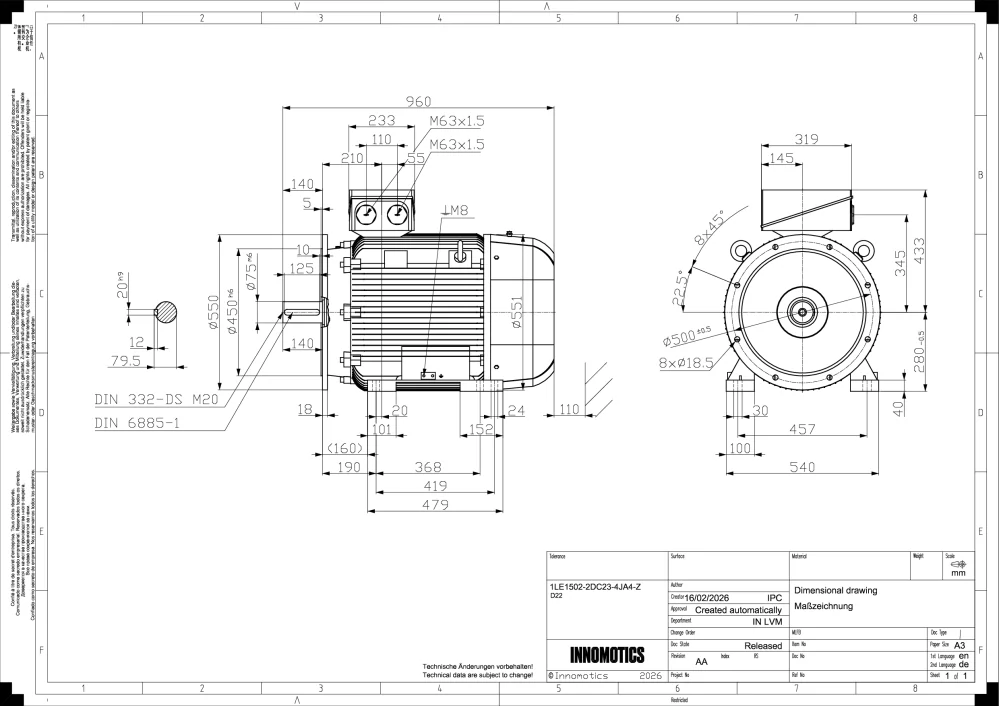
Elektromotor INNOMOTICS 55kW, 986ot., 1LE1502-2DC23-4JA4

Zpět
Další
- Kompletní specifikace
Elektromotor INNOMOTICS 55kW, 986ot., 1LE1502-2DC23-4JA4162 297 Kč/ ks134 130 Kč bez DPH
Kompletní specifikace
Velikost (osová výška): 280
Výkon: 55 kW
Otáčky: 986 min-1
Napětí: 400/690V, 50Hz
Ložisko strana D 6317 C3
Ložisko strana ND 6317 C3
Krytí: IP55
Vyvážení motoru: stupeň vibrací A
Standardní nátěr: odstín RAL 7030
Váha: 500kg
OBVYKLE SKLADEM
Zboží zařazeno v kategoriích

