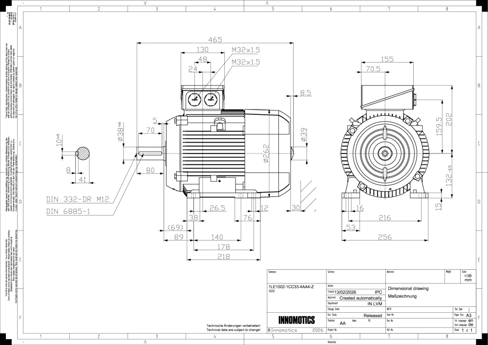
Elektromotor INNOMOTICS 5,5kW, 955ot., 1LE1002-1CC33-4AA4

Zpět
Další
- Kompletní specifikace
Elektromotor INNOMOTICS 5,5kW, 955ot., 1LE1002-1CC33-4AA417 654 Kč/ ks14 590 Kč bez DPH
Kompletní specifikace
Velikost (osová výška): 132
Výkon: 5,5 kW
Otáčky: 955 min-1
Napětí: 400/690V, 50Hz
Ložisko strana D 6208 2ZC3
Ložisko strana ND 6208 2ZC3
Krytí: IP55
Vyvážení motoru: stupeň vibrací A
Standardní nátěr: odstín RAL 7030
Váha: 48kg
OBVYKLE SKLADEM
Zboží zařazeno v kategoriích

