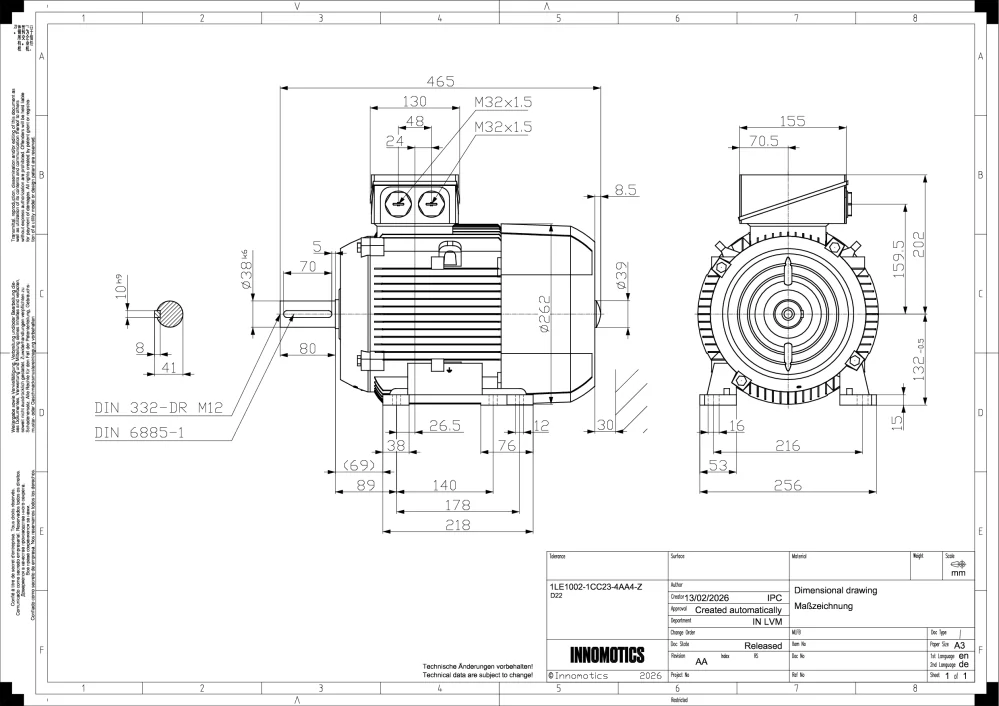
Elektromotor INNOMOTICS 4kW, 955ot., 1LE1002-1CC23-4AA4

Zpět
Další
- Kompletní specifikace
Elektromotor INNOMOTICS 4kW, 955ot., 1LE1002-1CC23-4AA414 024 Kč/ ks11 590 Kč bez DPH
Kompletní specifikace
Velikost (osová výška): 132
Výkon: 4 kW
Otáčky: 955 min-1
Napětí: 400/690V, 50Hz
Ložisko strana D 6208 2ZC3
Ložisko strana ND 6208 2ZC3
Krytí: IP55
Vyvážení motoru: stupeň vibrací A
Standardní nátěr: odstín RAL 7030
Váha: 39kg
OBVYKLE SKLADEM
Zboží zařazeno v kategoriích

