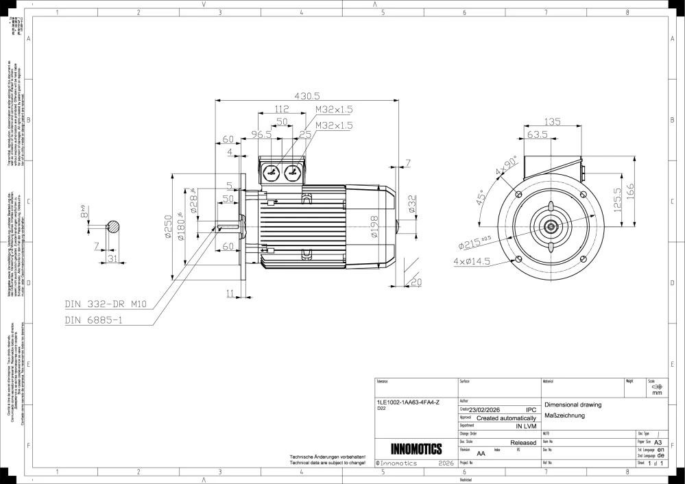
Elektromotor INNOMOTICS 4kW, 2850ot., 1LE1002-1AA63-4FA4

Zpět
Další
- Kompletní specifikace
Elektromotor INNOMOTICS 4kW, 2850ot., 1LE1002-1AA63-4FA49 033 Kč/ ks7 465 Kč bez DPH
Kompletní specifikace
Velikost (osová výška): 100
Výkon: 4 kW
Otáčky: 2850 min-1
Napětí: 400/690V, 50Hz
Ložisko strana D 6206 2ZC3
Ložisko strana ND 6206 2ZC3
Krytí: IP55
Vyvážení motoru: stupeň vibrací A
Standardní nátěr: odstín RAL 7030
Váha: 25kg
SKLADEM
Zboží zařazeno v kategoriích

