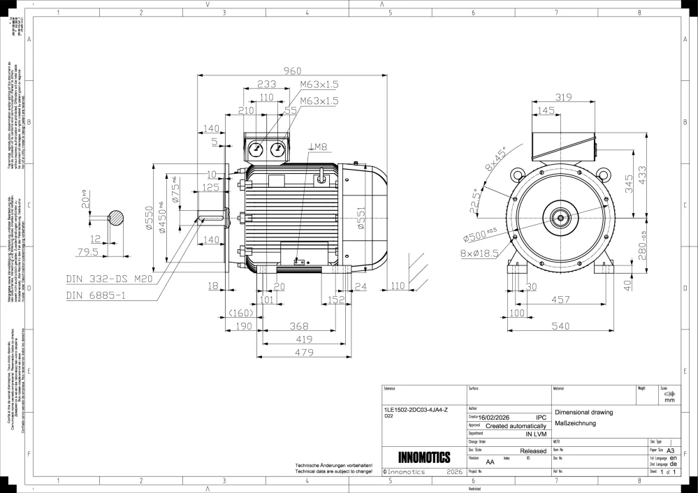
Elektromotor INNOMOTICS 45kW, 986ot., 1LE1502-2DC03-4JA4

Zpět
Další
- Kompletní specifikace
Elektromotor INNOMOTICS 45kW, 986ot., 1LE1502-2DC03-4JA4136 936 Kč/ ks113 170 Kč bez DPH
Kompletní specifikace
Velikost (osová výška): 280
Výkon: 45 kW
Otáčky: 986 min-1
Napětí: 400/690V, 50Hz
Ložisko strana D 6317 C3
Ložisko strana ND 6317 C3
Krytí: IP55
Vyvážení motoru: stupeň vibrací A
Standardní nátěr: odstín RAL 7030
Váha: 440kg
OBVYKLE SKLADEM
Zboží zařazeno v kategoriích

