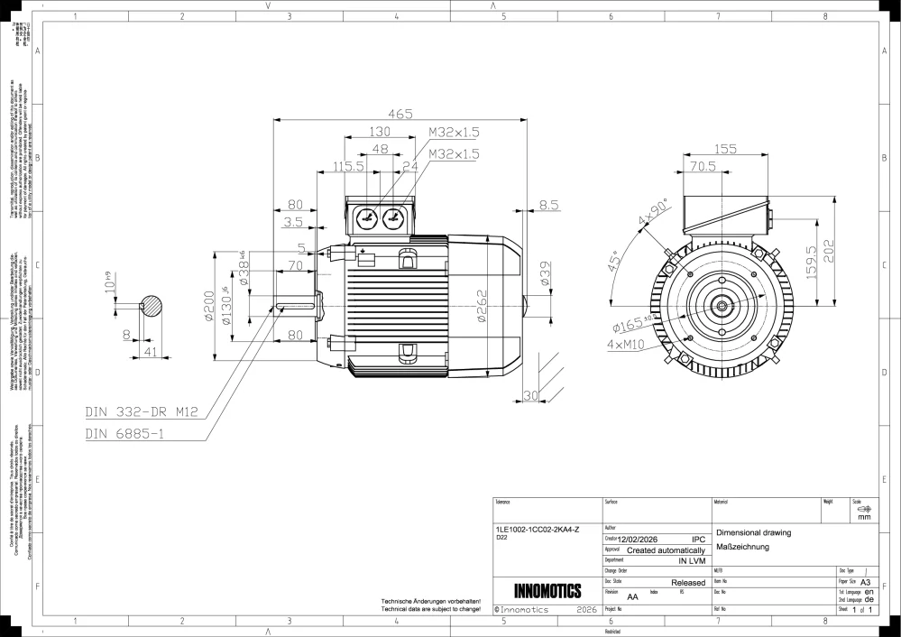
Elektromotor INNOMOTICS 3kW, 955ot., 1LE1002-1CC02-2KA4

Zpět
Další
- Kompletní specifikace
Elektromotor INNOMOTICS 3kW, 955ot., 1LE1002-1CC02-2KA412 826 Kč/ ks10 600 Kč bez DPH
Kompletní specifikace
Velikost (osová výška): 132
Výkon: 3 kW
Otáčky: 955 min-1
Napětí: 230/400V, 50Hz
Ložisko strana D 6208 2ZC3
Ložisko strana ND 6208 2ZC3
Krytí: IP55
Vyvážení motoru: stupeň vibrací A
Standardní nátěr: odstín RAL 7030
Váha: 34kg
OBVYKLE SKLADEM
Zboží zařazeno v kategoriích

