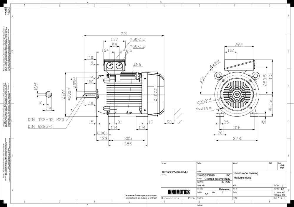
Elektromotor INNOMOTICS 37kW, 2955ot., 1LE1502-2AA53-4JA4
- TOP produkt

Zpět
Další
- Kompletní specifikace
Elektromotor INNOMOTICS 37kW, 2955ot., 1LE1502-2AA53-4JA471 876 Kč/ ks59 402 Kč bez DPH
Kompletní specifikace
Velikost (osová výška): 200
Výkon: 37 kW
Otáčky: 2955 min-1
Napětí: 400/690V, 50Hz
Ložisko strana D 6212 2ZC3
Ložisko strana ND 6212 2ZC3
Krytí: IP55
Vyvážení motoru: stupeň vibrací A
Standardní nátěr: odstín RAL 7030
Váha: 230kg
OBVYKLE SKLADEM
Zboží zařazeno v kategoriích

