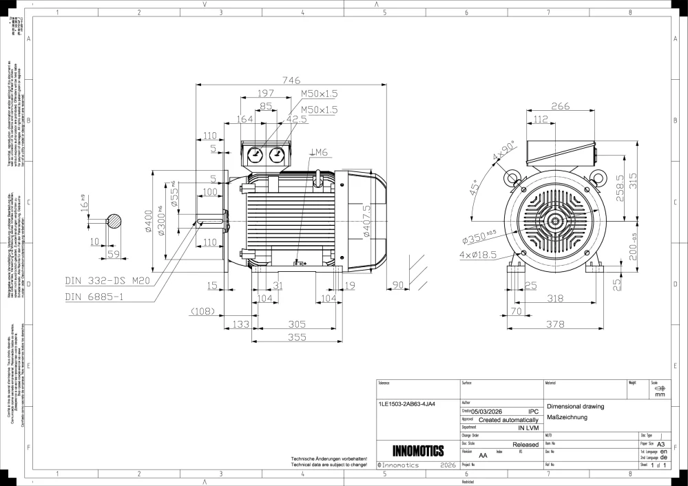
Elektromotor INNOMOTICS 37kW, 1475ot., 1LE1503-2AB63-4JA4

Zpět
Další
- Kompletní specifikace
Elektromotor INNOMOTICS 37kW, 1475ot., 1LE1503-2AB63-4JA491 706 Kč/ ks75 790 Kč bez DPH
Kompletní specifikace
Velikost (osová výška): 200
Výkon: 37 kW
Otáčky: 1475 min-1
Napětí: 400/690V, 50Hz
Ložisko strana D 6212 2ZC3
Ložisko strana ND 6212 2ZC3
Krytí: IP55
Vyvážení motoru: stupeň vibrací A
Standardní nátěr: odstín RAL 7030
Váha: 260kg
TERMÍN DODÁNÍ: 4 TÝDNY
Zboží zařazeno v kategoriích

