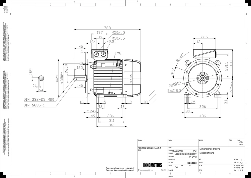
Elektromotor INNOMOTICS 30kW, 978ot., 1LE1502-2BC23-4JA4

Zpět
Další
- Kompletní specifikace
Elektromotor INNOMOTICS 30kW, 978ot., 1LE1502-2BC23-4JA490 181 Kč/ ks74 530 Kč bez DPH
Kompletní specifikace
Velikost (osová výška): 225
Výkon: 30 kW
Otáčky: 978 min-1
Napětí: 400/690V, 50Hz
Ložisko strana D 6213 2ZC3
Ložisko strana ND 6213 2ZC3
Krytí: IP55
Vyvážení motoru: stupeň vibrací A
Standardní nátěr: odstín RAL 7030
Váha: 220kg
OBVYKLE SKLADEM
Zboží zařazeno v kategoriích

