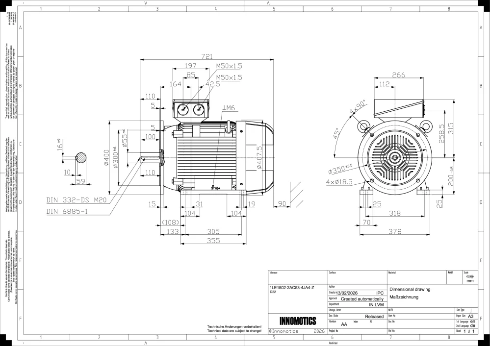
Elektromotor INNOMOTICS 22kW, 978ot., 1LE1502-2AC53-4JA4

Zpět
Další
- Kompletní specifikace
Elektromotor INNOMOTICS 22kW, 978ot., 1LE1502-2AC53-4JA467 566 Kč/ ks55 840 Kč bez DPH
Kompletní specifikace
Velikost (osová výška): 200
Výkon: 22 kW
Otáčky: 980 min-1
Napětí: 400/690V, 50Hz
Ložisko strana D 6212 2ZC3
Ložisko strana ND 6212 2ZC3
Krytí: IP55
Vyvážení motoru: stupeň vibrací A
Standardní nátěr: odstín RAL 7030
Váha: 220kg
OBVYKLE SKLADEM
Zboží zařazeno v kategoriích

