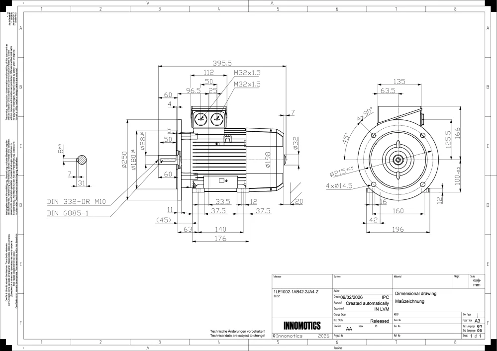
Elektromotor INNOMOTICS 2,2kW, 1425ot., 1LE1002-1AB42-2JA4

Zpět
Další
- Kompletní specifikace
Elektromotor INNOMOTICS 2,2kW, 1425ot., 1LE1002-1AB42-2JA46 671 Kč/ ks5 513 Kč bez DPH
Kompletní specifikace
Velikost (osová výška): 100
Výkon: 2,2 kW
Otáčky: 1425 min-1
Napětí: 230/400V, 50Hz
Ložisko strana D 6206 2ZC3
Ložisko strana ND 6206 2ZC3
Krytí: IP55
Vyvážení motoru: stupeň vibrací A
Standardní nátěr: odstín RAL 7030
Váha: 18kg
OBVYKLE SKLADEM
Zboží zařazeno v kategoriích

