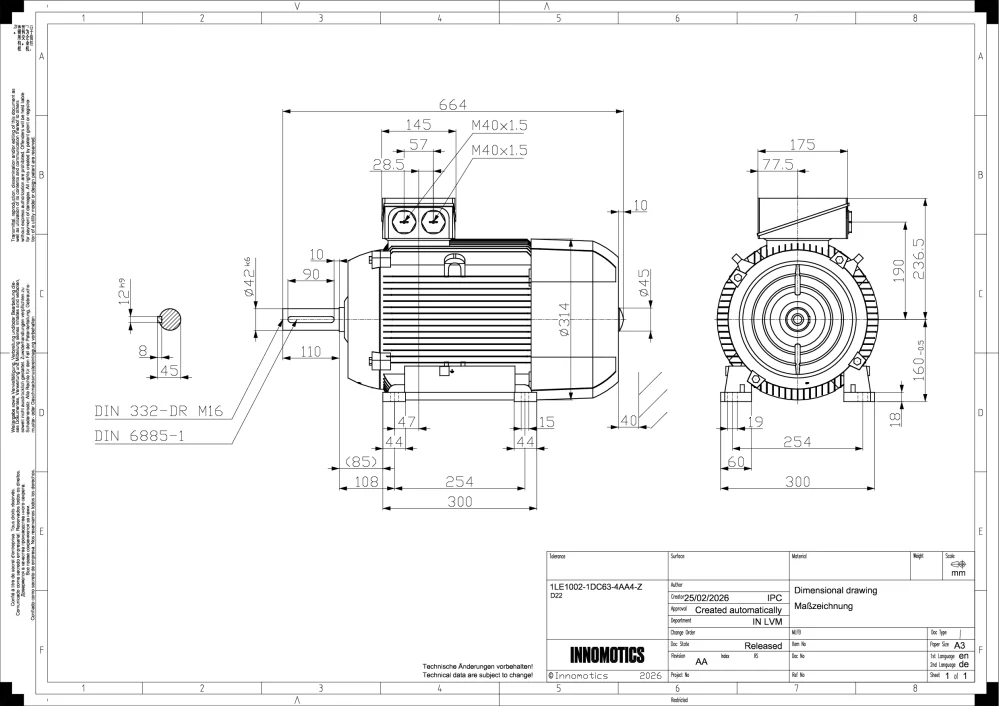
Elektromotor INNOMOTICS 15kW, 965ot., 1LE1002-1DC63-4AA4

Zpět
Další
- Kompletní specifikace
Elektromotor INNOMOTICS 15kW, 965ot., 1LE1002-1DC63-4AA436 330 Kč/ ks30 025 Kč bez DPH
Kompletní specifikace
Velikost (osová výška): 160
Výkon: 15 kW
Otáčky: 965 min-1
Napětí: 400/690V, 50Hz
Ložisko strana D 6209 2ZC3
Ložisko strana ND 6209 2ZC3
Krytí: IP55
Vyvážení motoru: stupeň vibrací A
Standardní nátěr: odstín RAL 7030
Váha: 109kg
OBVYKLE SKLADEM
Zboží zařazeno v kategoriích

