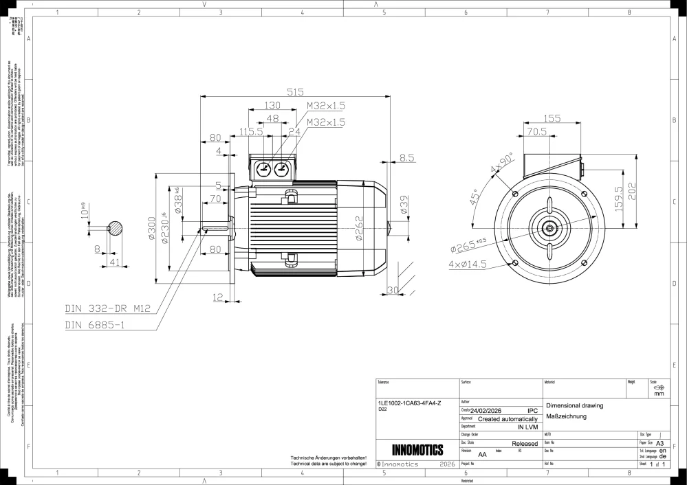
Elektromotor INNOMOTICS 11kW, 2920ot., 1LE1002-1CA63-4FA4

Zpět
Další
- Kompletní specifikace
Elektromotor INNOMOTICS 11kW, 2920ot., 1LE1002-1CA63-4FA420 293 Kč/ ks16 771 Kč bez DPH
Kompletní specifikace
Velikost (osová výška): 132
Výkon: 11 kW
Otáčky: 2920 min-1
Napětí: 400/690V, 50Hz
Ložisko strana D 6208 2ZC3
Ložisko strana ND 6208 2ZC3
Krytí: IP55
Vyvážení motoru: stupeň vibrací A
Standardní nátěr: odstín RAL 7030
Váha: 53kg
SKLADEM
Zboží zařazeno v kategoriích

