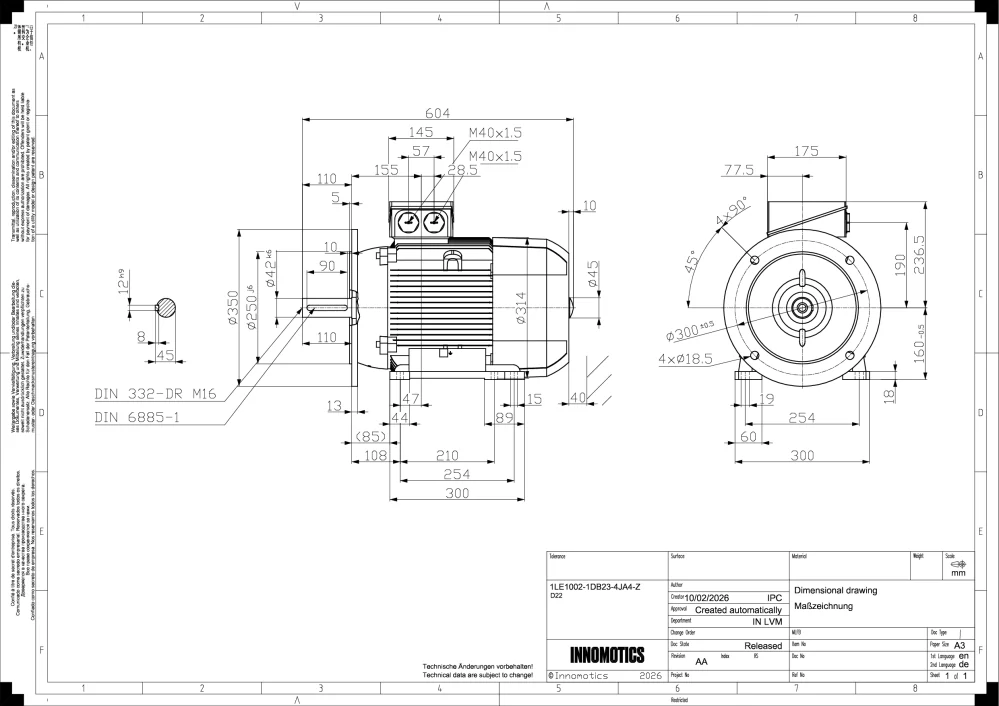
Elektromotor INNOMOTICS 11kW, 1460ot., 1LE1002-1DB23-4JA4

Zpět
Další
- Kompletní specifikace
Elektromotor INNOMOTICS 11kW, 1460ot., 1LE1002-1DB23-4JA421 171 Kč/ ks17 497 Kč bez DPH
Kompletní specifikace
Velikost (osová výška): 160
Výkon: 11 kW
Otáčky: 1460 min-1
Napětí: 400/690V, 50Hz
Ložisko strana D 6209 2ZC3
Ložisko strana ND 6209 2ZC3
Krytí: IP55
Vyvážení motoru: stupeň vibrací A
Standardní nátěr: odstín RAL 7030
Váha: 62kg
OBVYKLE SKLADEM
Zboží zařazeno v kategoriích

