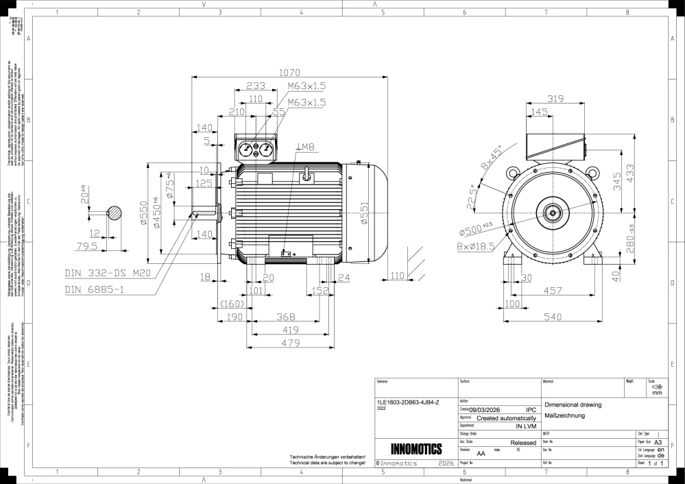
Elektromotor INNOMOTICS 110kW, 1486ot., 1LE1603-2DB63-4JB4

Zpět
Další
- Kompletní specifikace
Elektromotor INNOMOTICS 110kW, 1486ot., 1LE1603-2DB63-4JB4250 821 Kč/ ks207 290 Kč bez DPH
Kompletní specifikace
Velikost (osová výška): 280
Výkon: 110 kW
Otáčky: 1486 min-1
Napětí: 400/690V, 50Hz
Ložisko strana D 6317 C3
Ložisko strana ND 6317 C3
Krytí: IP55
Vyvážení motoru: stupeň vibrací A
Standardní nátěr: odstín RAL 7030
Váha: 710kg
TERMÍN DODÁNÍ: 4 TÝDNY
Zboží zařazeno v kategoriích

