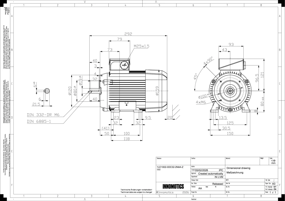
Elektromotor INNOMOTICS 0,55kW, 900ot., 1LE1002-0DC32-2NA4

Zpět
Další
- Kompletní specifikace
Elektromotor INNOMOTICS 0,55kW, 900ot., 1LE1002-0DC32-2NA44 950 Kč/ ks4 091 Kč bez DPH
Kompletní specifikace
Velikost (osová výška): 80
Výkon: 0,55 kW
Otáčky: 900 min-1
Napětí: 230/400V, 50Hz
Ložisko strana D 6004 2ZC3
Ložisko strana ND 6004 2ZC3
Krytí: IP55
Vyvážení motoru: stupeň vibrací A
Standardní nátěr: odstín RAL 7030
Váha: 12kg
OBVYKLE SKLADEM
Zboží zařazeno v kategoriích

