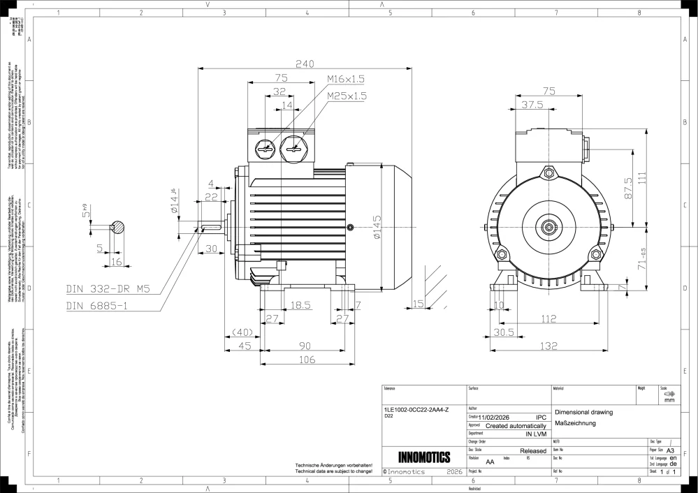
Elektromotor INNOMOTICS 0,18kW, 800ot., 1LE1002-0CC22-2AA4

Zpět
Další
- Kompletní specifikace
Elektromotor INNOMOTICS 0,18kW, 800ot., 1LE1002-0CC22-2AA43 086 Kč/ ks2 550 Kč bez DPH
Kompletní specifikace
Velikost (osová výška): 71
Výkon: 0,18 kW
Otáčky: 800 min-1
Napětí: 230/400V, 50Hz
Ložisko strana D 6202 2ZC3
Ložisko strana ND 6202 2ZC3
Krytí: IP55
Vyvážení motoru: stupeň vibrací A
Standardní nátěr: odstín RAL 7030
Váha: 5kg
OBVYKLE SKLADEM
Zboží zařazeno v kategoriích

