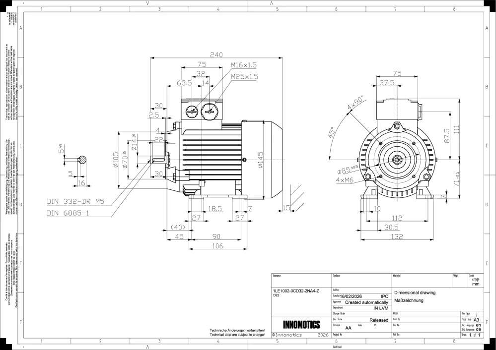
Elektromotor INNOMOTICS 0,12kW, 625ot., 1LE1002-0CD32-2NA4

Zpět
Další
- Kompletní specifikace
Elektromotor INNOMOTICS 0,12kW, 625ot., 1LE1002-0CD32-2NA43 989 Kč/ ks3 297 Kč bez DPH
Kompletní specifikace
Velikost (osová výška): 71
Výkon: 0,12 kW
Otáčky: 625 min-1
Napětí: 230/400V, 50Hz
Ložisko strana D 6202 2ZC3
Ložisko strana ND 6202 2ZC3
Krytí: IP55
Vyvážení motoru: stupeň vibrací A
Standardní nátěr: odstín RAL 7030
Váha: 6 kg
OBVYKLE SKLADEM
Zboží zařazeno v kategoriích

