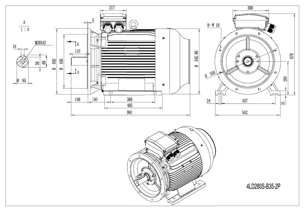
Elektromotor 4LD280S-2 75kW, 2980ot.

Zpět
Další
- Kompletní specifikace
Elektromotor 4LD280S-2 75kW, 2980ot.108 613 Kč/ ks89 763 Kč bez DPH
Kompletní specifikace
Velikost (osová výška): 280
Výkon: 75 kW
Otáčky: 2980 min-1
Napětí: 400/690V, 50Hz
Ložisko strana D 6314 C3
Ložisko strana ND 6314 C3
Krytí: IP55
Vyvážení motoru: stupeň vibrací A
Standardní nátěr: odstín RAL 7030
Váha: 548kg
SKLADEM
Zboží zařazeno v kategoriích

