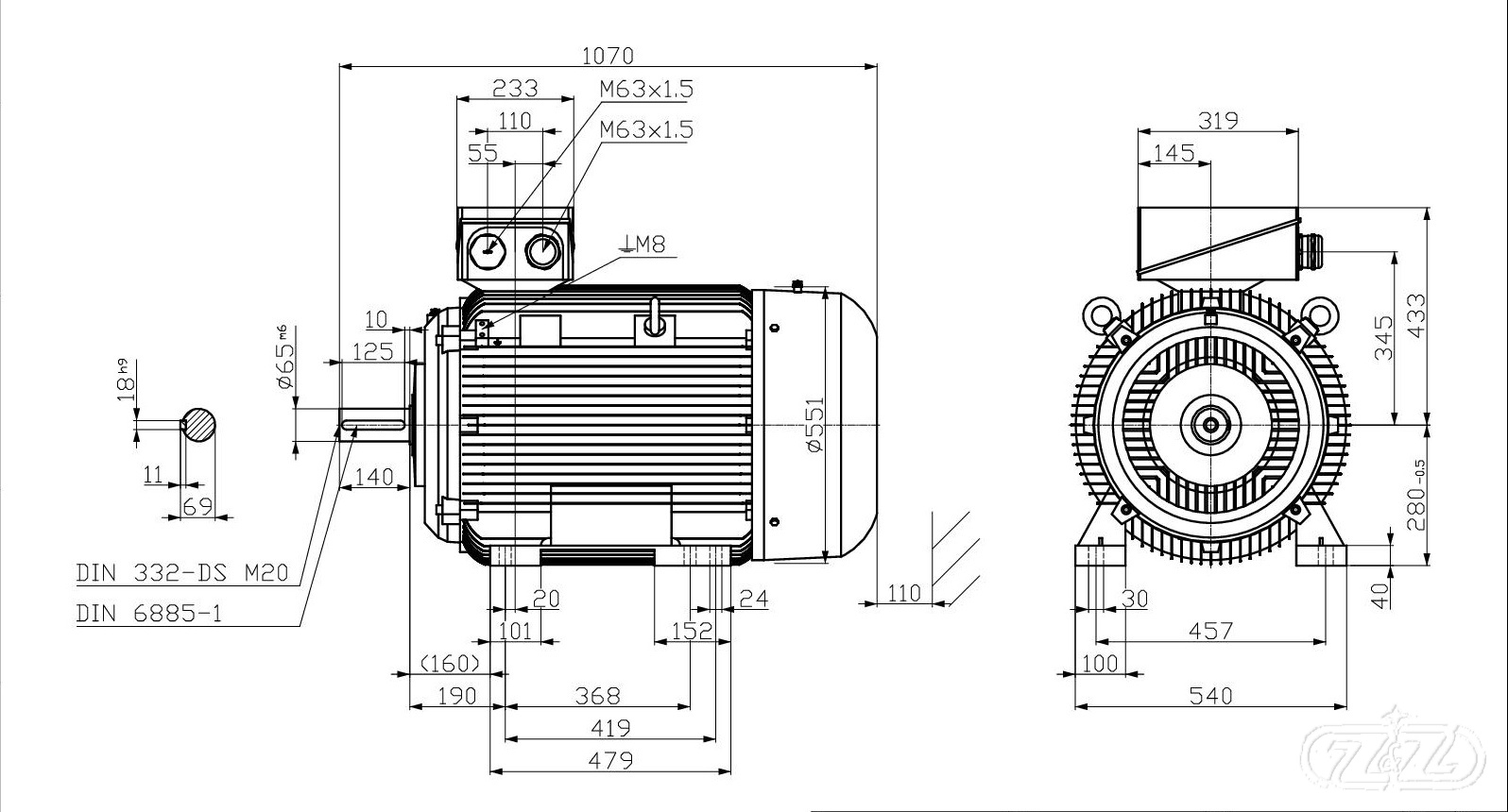
Elektromotor INNOMOTICS, 90kW, 2975ot., 1MB1513-2DA23-4AA4

Zpět
Další
- Kompletní specifikace
Elektromotor INNOMOTICS, 90kW, 2975ot., 1MB1513-2DA23-4AA4208 228 Kč/ ks172 089 Kč bez DPH
Kompletní specifikace
Třída nevýbušnosti: Ex tb IIIC
Velikost (osová výška): 280
Výkon: 90 kW
Otáčky: 2975 min-1
Napětí: 400/690V, 50Hz
Ložisko strana D 6315 C3
Ložisko strana ND 6315 C3
Krytí: IP55
Vyvážení motoru: stupeň vibrací A
Standardní nátěr: odstín RAL 7030
Váha: 590kg
OBVYKLÁ DODACÍ LHŮTA: 4-7 TÝDNŮ
Zboží zařazeno v kategoriích

