Elektromotor SIEMENS 75kW, 2975ot., 1LE1603-2DA03-4AB4
- TOP produkt

Zpět
Další
- Kompletní specifikace
Elektromotor SIEMENS 75kW, 2975ot., 1LE1603-2DA03-4AB4162 491 Kč/ ks134 290 Kč bez DPH
Kompletní specifikace
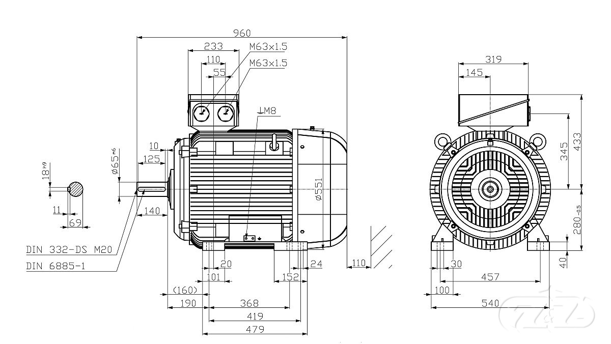
Velikost (osová výška): 280
Výkon: 75 kW
Otáčky: 2975 min-1
Napětí: 400/690V, 50Hz
Ložisko strana D 6217 ZC3
Ložisko strana ND 6217 ZC3
Krytí: IP55
Vyvážení motoru: stupeň vibrací A
Standardní nátěr: odstín RAL 7030
Váha: 500kg
OBVYKLÁ DODACÍ LHŮTA: 5-12 TÝDNŮ
Zboží zařazeno v kategoriích

