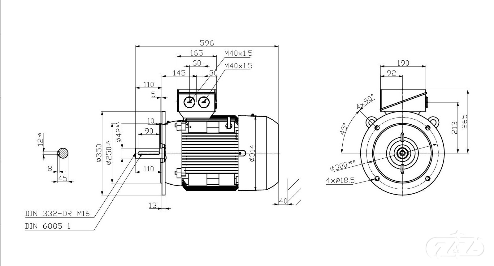
Elektromotor INNOMOTICS, 7,5kW, 980ot., 1LE1603-1DC23-4FB4
- TOP produkt

Zpět
Další
- Kompletní specifikace
Elektromotor INNOMOTICS, 7,5kW, 980ot., 1LE1603-1DC23-4FB436 655 Kč/ ks30 293 Kč bez DPH
Kompletní specifikace
Velikost (osová výška): 160
Výkon: 7,5 kW
Otáčky: 985 min-1
Napětí: 400/690V, 50Hz
Ložisko strana D 6309 ZC3
Ložisko strana ND 6309 ZC3
Krytí: IP55
Vyvážení motoru: stupeň vibrací A
Standardní nátěr: odstín RAL 7030
Váha: 124kg
OBVYKLÁ DODACÍ LHŮTA: 3-4 TÝDNY
Zboží zařazeno v kategoriích

