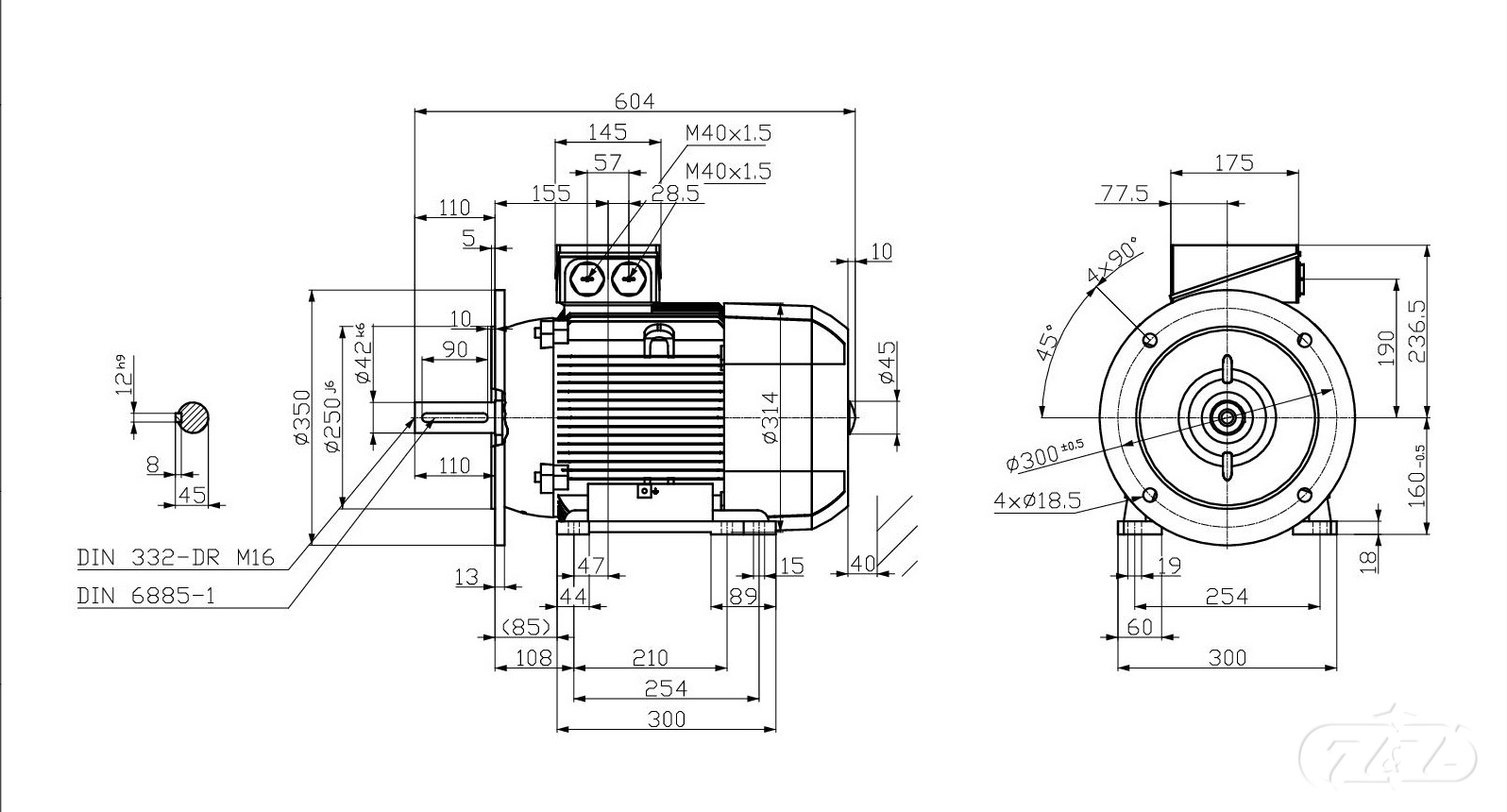
Elektromotor INNOMOTICS, 7,5kW, 730ot., 1LE1003-1DD43-4JA4

Zpět
Další
- Kompletní specifikace
Elektromotor INNOMOTICS, 7,5kW, 730ot., 1LE1003-1DD43-4JA445 973 Kč/ ks37 994 Kč bez DPH
Kompletní specifikace
Velikost (osová výška): 160
Výkon: 7,5 kW
Otáčky: 730 min-1
Napětí: 400/690V, 50Hz
Ložisko strana D 6209 2ZC3
Ložisko strana ND 6209 2ZC3
Krytí: IP55
Vyvážení motoru: stupeň vibrací A
Standardní nátěr: odstín RAL 7030
Váha: 86kg
OBVYKLE SKLADEM
Zboží zařazeno v kategoriích

