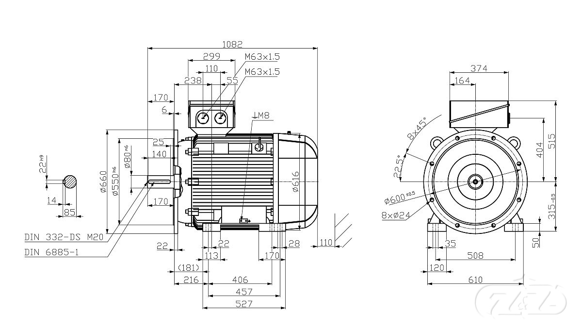
Elektromotor SIEMENS 55kW, 740ot., 1LE1603-3AD03-4JB4
- TOP produkt

Zpět
Další
- Kompletní specifikace
Elektromotor SIEMENS 55kW, 740ot., 1LE1603-3AD03-4JB4258 010 Kč/ ks213 231 Kč bez DPH
Kompletní specifikace
Velikost (osová výška): 315
Výkon: 55 kW
Otáčky: 740 min-1
Napětí: 400/690V, 50Hz
Ložisko strana D 6319 C3
Ložisko strana ND 6319 C3
Krytí: IP55
Vyvážení motoru: stupeň vibrací A
Standardní nátěr: odstín RAL 7030
Váha: 650kg
OBVYKLÁ DODACÍ LHŮTA: 5-12 TÝDNŮ
Zboží zařazeno v kategoriích

