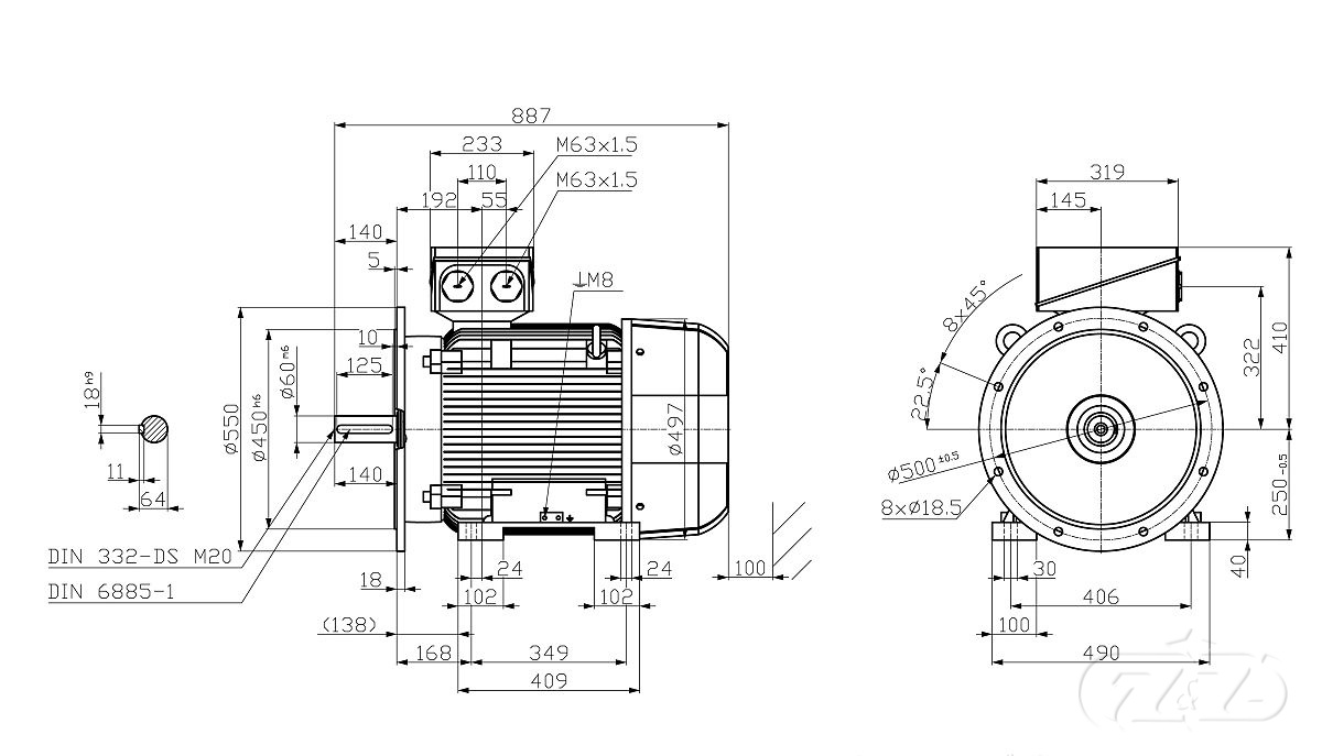
Elektromotor SIEMENS 55kW, 2970ot., 1LE1603-2CA23-4JB4
- TOP produkt

Zpět
Další
- Kompletní specifikace
Elektromotor SIEMENS 55kW, 2970ot., 1LE1603-2CA23-4JB4134 442 Kč/ ks111 109 Kč bez DPH
Kompletní specifikace
Velikost (osová výška): 250
Výkon: 45 kW
Otáčky: 2970 min-1
Napětí: 400/690V, 50Hz
Ložisko strana D 6215 ZC3
Ložisko strana ND 6215 ZC3
Krytí: IP55
Vyvážení motoru: stupeň vibrací A
Standardní nátěr: odstín RAL 7030
Váha: 375kg
OBVYKLÁ DODACÍ LHŮTA: 5-12 TÝDNŮ
Zboží zařazeno v kategoriích

