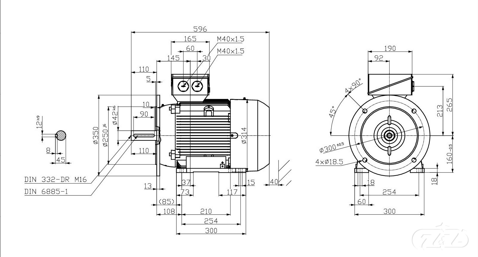
Elektromotor SIEMENS 5,5kW, 730ot., 1LE1603-1DD33-4JB4
- TOP produkt

Zpět
Další
- Kompletní specifikace
Elektromotor SIEMENS 5,5kW, 730ot., 1LE1603-1DD33-4JB446 809 Kč/ ks38 685 Kč bez DPH
Kompletní specifikace
Velikost (osová výška): 160
Výkon: 5,5 kW
Otáčky: 730 min-1
Napětí: 400/690V, 50Hz
Ložisko strana D 6309 ZC3
Ložisko strana ND 6309 ZC3
Krytí: IP55
Vyvážení motoru: stupeň vibrací A
Standardní nátěr: odstín RAL 7030
Váha: 109kg
OBVYKLÁ DODACÍ LHŮTA: 5-12 TÝDNŮ
Zboží zařazeno v kategoriích

