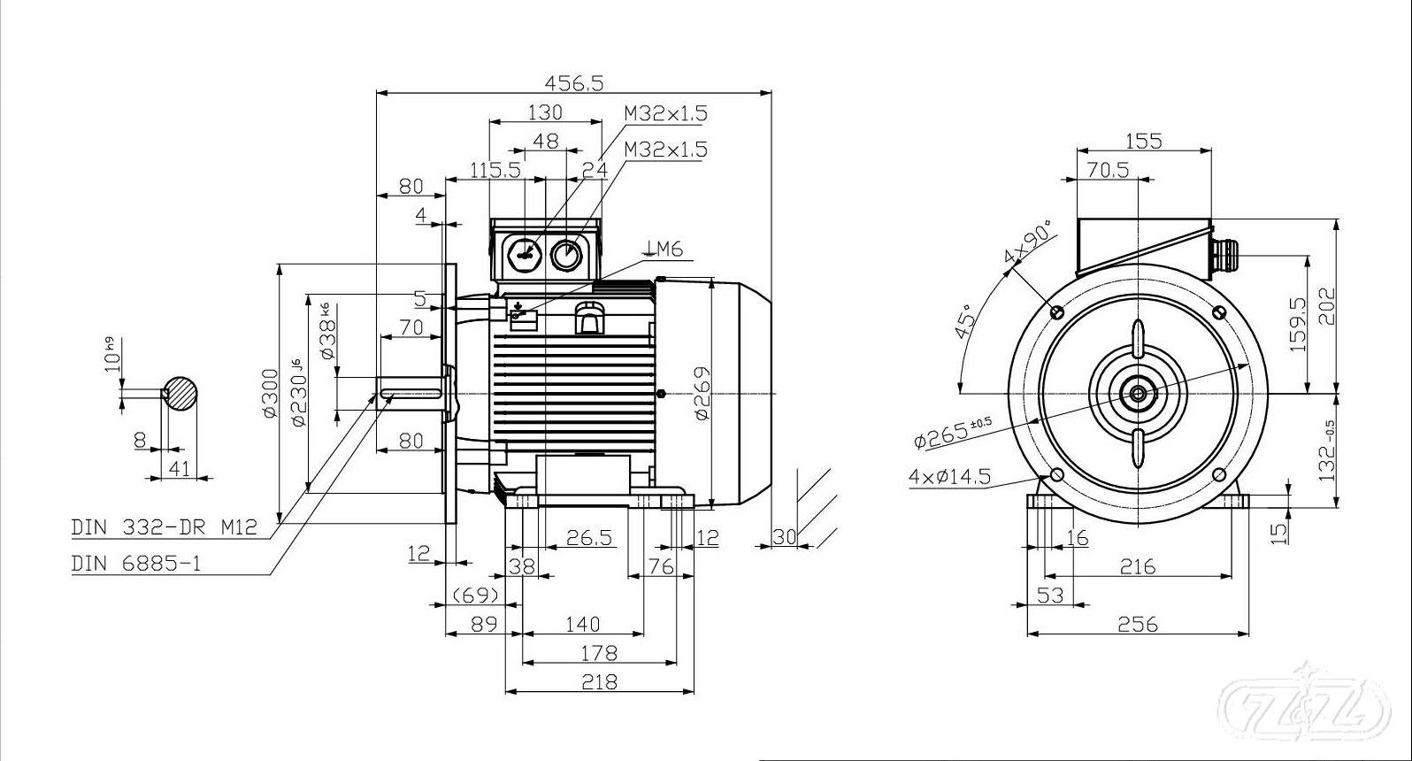
Elektromotor INNOMOTICS, 5,5kW, 2950ot., 1MB1013-1CA03-4JA4

Zpět
Další
- Kompletní specifikace
Elektromotor INNOMOTICS, 5,5kW, 2950ot., 1MB1013-1CA03-4JA418 094 Kč/ ks14 954 Kč bez DPH
Kompletní specifikace
Třída nevýbušnosti: Ex tb IIIC
Velikost (osová výška): 132
Výkon: 5,5 kW
Otáčky: 2950 min-1
Napětí: 400/690V, 50Hz
Ložisko strana D 6208 2ZC3
Ložisko strana ND 6208 2ZC3
Krytí: IP55
Vyvážení motoru: stupeň vibrací A
Standardní nátěr: odstín RAL 7030
Váha: 43kg
OBVYKLÁ DODACÍ LHŮTA: 4-7 TÝDNŮ
Zboží zařazeno v kategoriích

