Elektromotor INNOMOTICS, 5,5kW, 1470ot., 1LE1603-1CB03-4NB4
- TOP produkt

Zpět
Další
- Kompletní specifikace
Elektromotor INNOMOTICS, 5,5kW, 1470ot., 1LE1603-1CB03-4NB421 390 Kč/ ks17 678 Kč bez DPH
Kompletní specifikace
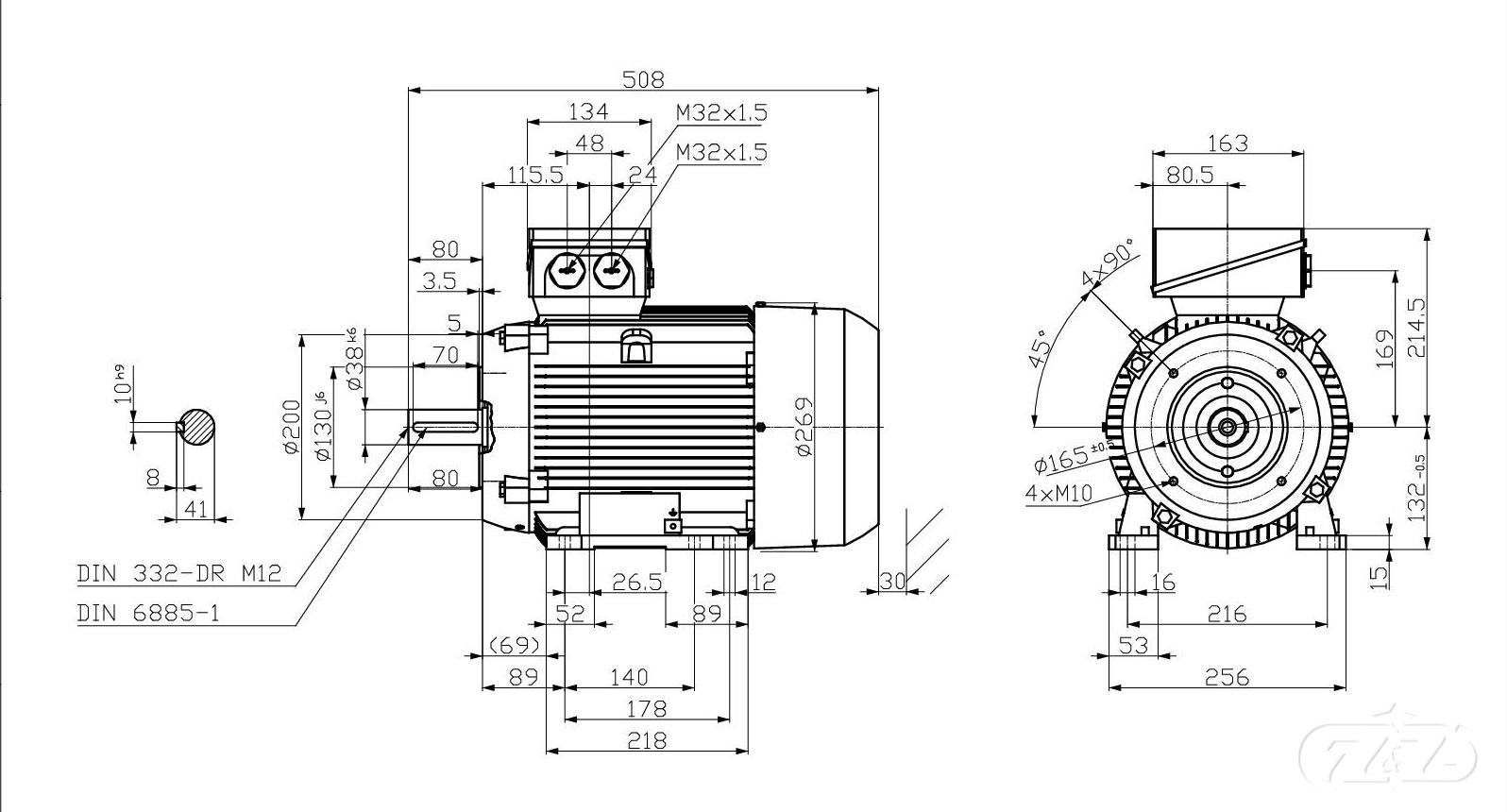
Velikost (osová výška): 132
Výkon: 5,5 kW
Otáčky: 1470 min-1
Napětí: 400/690V, 50Hz
Ložisko strana D 6308 2ZC3
Ložisko strana ND 6308 2ZC3
Krytí: IP55
Vyvážení motoru: stupeň vibrací A
Standardní nátěr: odstín RAL 7030
Váha: 74kg
OBVYKLÁ DODACÍ LHŮTA: 3-4 TÝDNY
Zboží zařazeno v kategoriích

