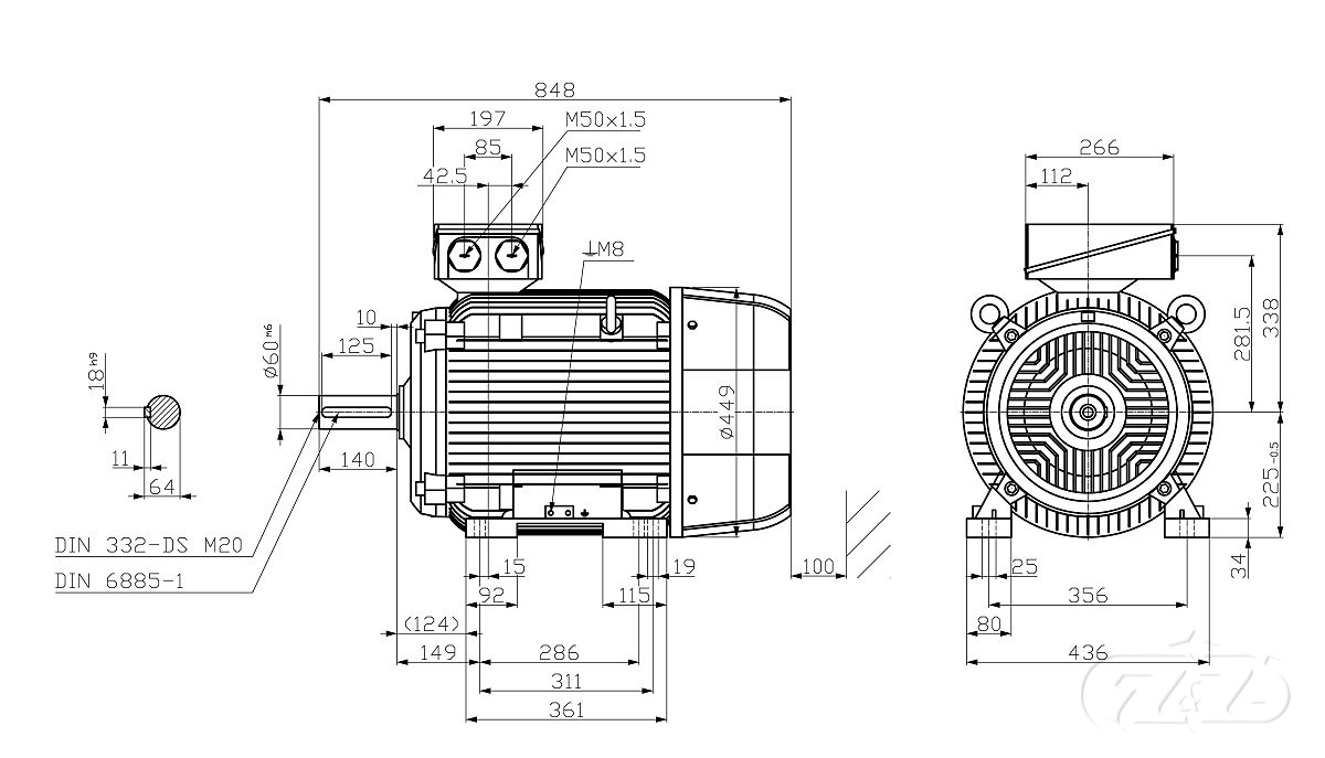
Elektromotor INNOMOTICS, 45kW, 1478ot., 1LE1603-2BB23-4AB4
- TOP produkt

Zpět
Další
- Kompletní specifikace
Elektromotor INNOMOTICS, 45kW, 1478ot., 1LE1603-2BB23-4AB4101 325 Kč/ ks83 740 Kč bez DPH
Kompletní specifikace
Velikost (osová výška): 225
Výkon: 45 kW
Otáčky: 1478 min-1
Napětí: 400/690V, 50Hz
Ložisko strana D 6313 C3
Ložisko strana ND 6313 C3
Krytí: IP55
Vyvážení motoru: stupeň vibrací A
Standardní nátěr: odstín RAL 7030
Váha: 320kg
OBVYKLÁ DODACÍ LHŮTA: 4 TÝDNY
Zboží zařazeno v kategoriích

