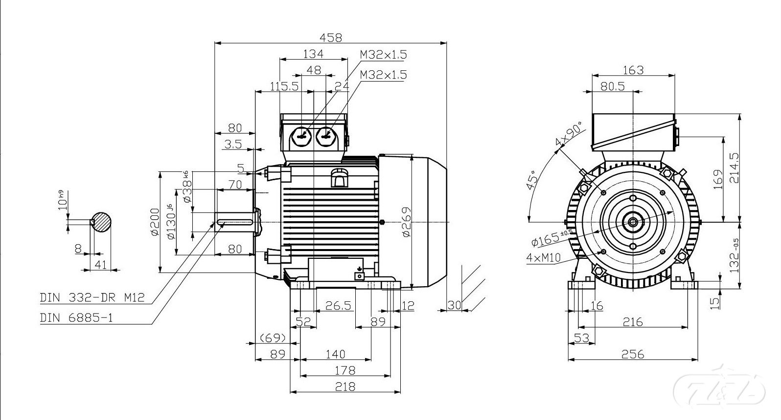
Elektromotor INNOMOTICS, 3kW, 975ot., 1LE1603-1CC02-2NB4
- TOP produkt

Zpět
Další
- Kompletní specifikace
Elektromotor INNOMOTICS, 3kW, 975ot., 1LE1603-1CC02-2NB419 154 Kč/ ks15 830 Kč bez DPH
Kompletní specifikace
Velikost (osová výška): 132
Výkon: 3 kW
Otáčky: 975 min-1
Napětí: 230/400V, 50Hz
Ložisko strana D 6308 2ZC3
Ložisko strana ND 6308 2ZC3
Krytí: IP55
Vyvážení motoru: stupeň vibrací A
Standardní nátěr: odstín RAL 7030
Váha: 60kg
OBVYKLÁ DODACÍ LHŮTA: 3-4 TÝDNY
Zboží zařazeno v kategoriích

