Elektromotor SIEMENS 3kW, 725ot., 1LE1603-1CD22-2AB4
- TOP produkt

Zpět
Další
- Kompletní specifikace
Elektromotor SIEMENS 3kW, 725ot., 1LE1603-1CD22-2AB430 065 Kč/ ks24 847 Kč bez DPH
Kompletní specifikace
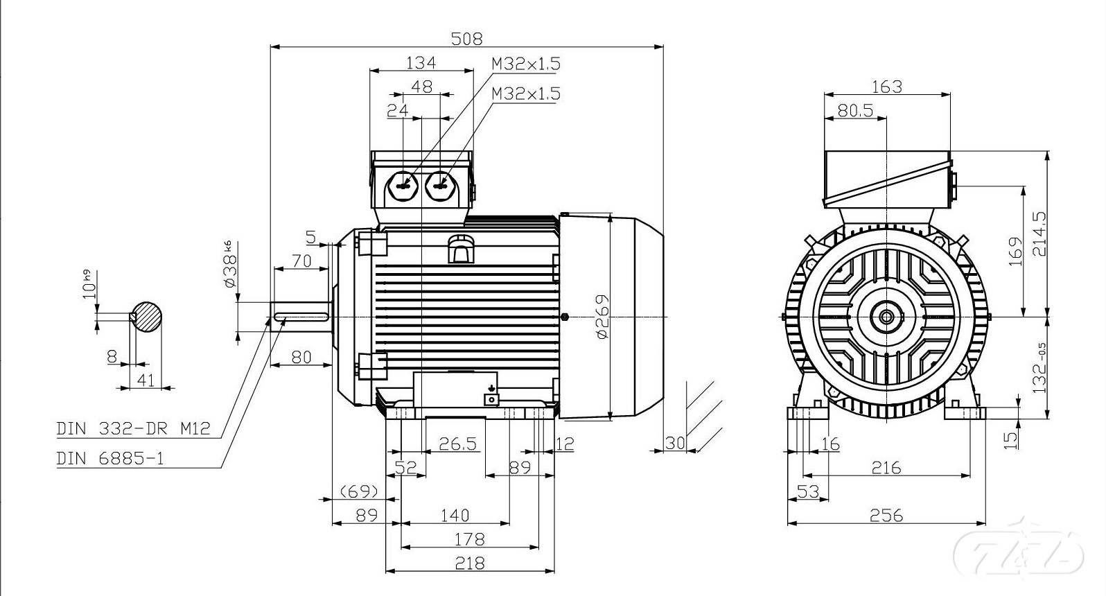
Velikost (osová výška): 132
Výkon: 3 kW
Otáčky: 725 min-1
Napětí: 230/400V, 50Hz
Ložisko strana D 6308 2ZC3
Ložisko strana ND 6308 2ZC3
Krytí: IP55
Vyvážení motoru: stupeň vibrací A
Standardní nátěr: odstín RAL 7030
Váha: 78kg
OBVYKLÁ DODACÍ LHŮTA: 5-12 TÝDNŮ
Zboží zařazeno v kategoriích

