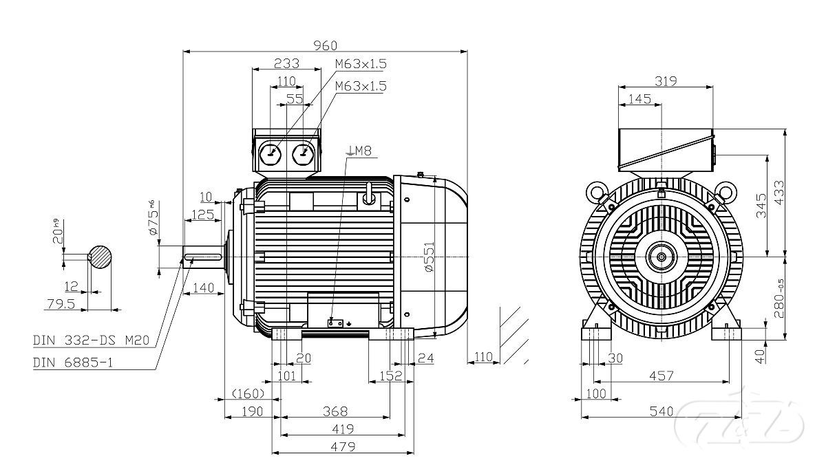
Elektromotor SIEMENS 37kW, 736ot., 1LE1603-2DD03-4AB4
- TOP produkt

Zpět
Další
- Kompletní specifikace
Elektromotor SIEMENS 37kW, 736ot., 1LE1603-2DD03-4AB4170 399 Kč/ ks140 826 Kč bez DPH
Kompletní specifikace
Velikost (osová výška): 280
Výkon: 37 kW
Otáčky: 736 min-1
Napětí: 400/690V, 50Hz
Ložisko strana D 6317 C3
Ložisko strana ND 6317 C3
Krytí: IP55
Vyvážení motoru: stupeň vibrací A
Standardní nátěr: odstín RAL 7030
Váha: 460kg
OBVYKLÁ DODACÍ LHŮTA: 5-12 TÝDNŮ
Zboží zařazeno v kategoriích

