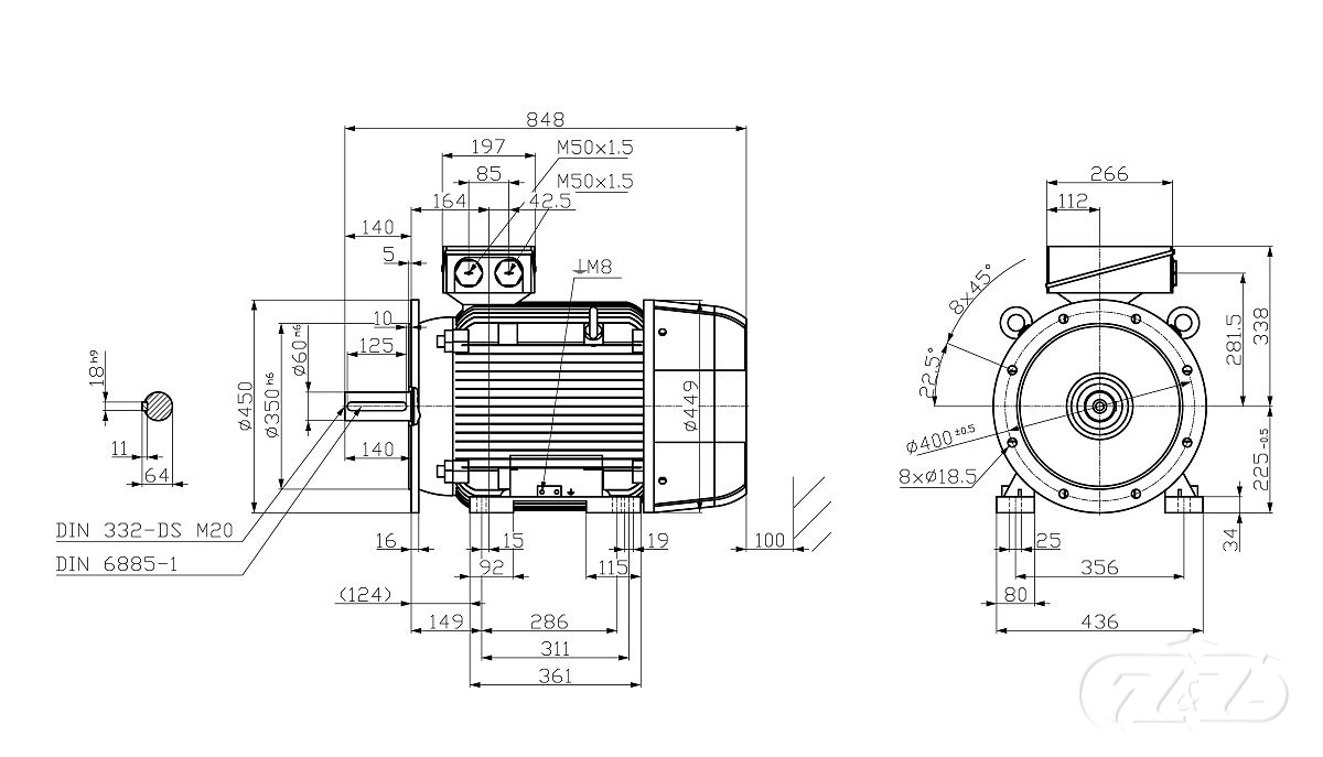
Elektromotor INNOMOTICS, 30kW, 982ot., 1LE1603-2BC23-4JB4
- TOP produkt

Zpět
Další
- Kompletní specifikace
Elektromotor INNOMOTICS, 30kW, 982ot., 1LE1603-2BC23-4JB4115 536 Kč/ ks95 484 Kč bez DPH
Kompletní specifikace
Velikost (osová výška): 225
Výkon: 30 kW
Otáčky: 982 min-1
Napětí: 400/690V, 50Hz
Ložisko strana D 6313 C3
Ložisko strana ND 6313 C3
Krytí: IP55
Vyvážení motoru: stupeň vibrací A
Standardní nátěr: odstín RAL 7030
Váha: 325kg
OBVYKLÁ DODACÍ LHŮTA: 3-4 TÝDNY
Zboží zařazeno v kategoriích

