Elektromotor SIEMENS 22kW, 732ot., 1LE1603-2BD23-4JB4
- TOP produkt

Zpět
Další
- Kompletní specifikace
Elektromotor SIEMENS 22kW, 732ot., 1LE1603-2BD23-4JB4122 579 Kč/ ks101 305 Kč bez DPH
Kompletní specifikace
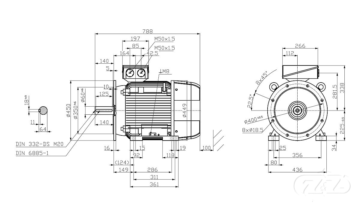
Velikost (osová výška): 225
Výkon: 22 kW
Otáčky: 732 min-1
Napětí: 400/690V, 50Hz
Ložisko strana D 6313 C3
Ložisko strana ND 6313 C3
Krytí: IP55
Vyvážení motoru: stupeň vibrací A
Standardní nátěr: odstín RAL 7030
Váha: 280kg
OBVYKLÁ DODACÍ LHŮTA: 5-12 TÝDNŮ
Zboží zařazeno v kategoriích

