Elektromotor INNOMOTICS, 22kW, 1MB1523-1EA23-4AA4

Zpět
Další
- Kompletní specifikace
Elektromotor INNOMOTICS, 22kW, 1MB1523-1EA23-4AA458 393 Kč/ ks48 259 Kč bez DPH
Kompletní specifikace
Třída nevýbušnosti: Ex tc IIIB
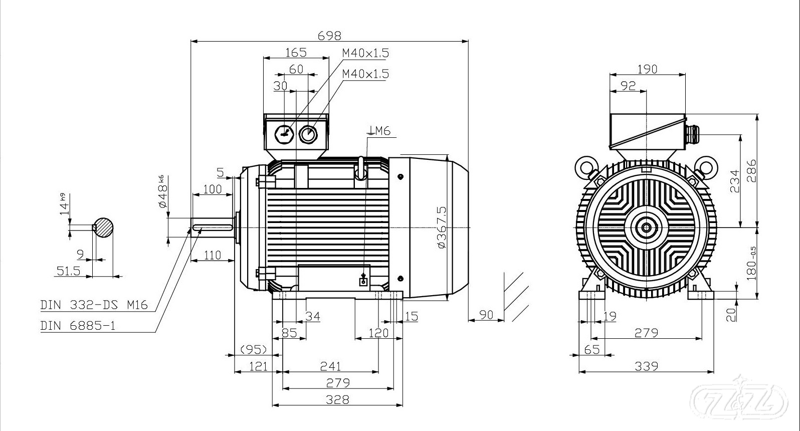
Velikost (osová výška): 180
Výkon: 22 kW
Otáčky: 2950 min-1
Napětí: 400/690V, 50Hz
Ložisko strana D 6210 ZC3
Ložisko strana ND 6210 ZC3
Krytí: IP55
Vyvážení motoru: stupeň vibrací A
Standardní nátěr: odstín RAL 7030
Váha: 160kg
OBVYKLÁ DODACÍ LHŮTA: 4-7 TÝDNŮ
Zboží zařazeno v kategoriích

