Elektromotor INNOMOTICS, 22kW, 1470ot., 1LE1603-1EB43-4AB4
- TOP produkt

Zpět
Další
- Kompletní specifikace
Elektromotor INNOMOTICS, 22kW, 1470ot., 1LE1603-1EB43-4AB457 583 Kč/ ks47 589 Kč bez DPH
Kompletní specifikace
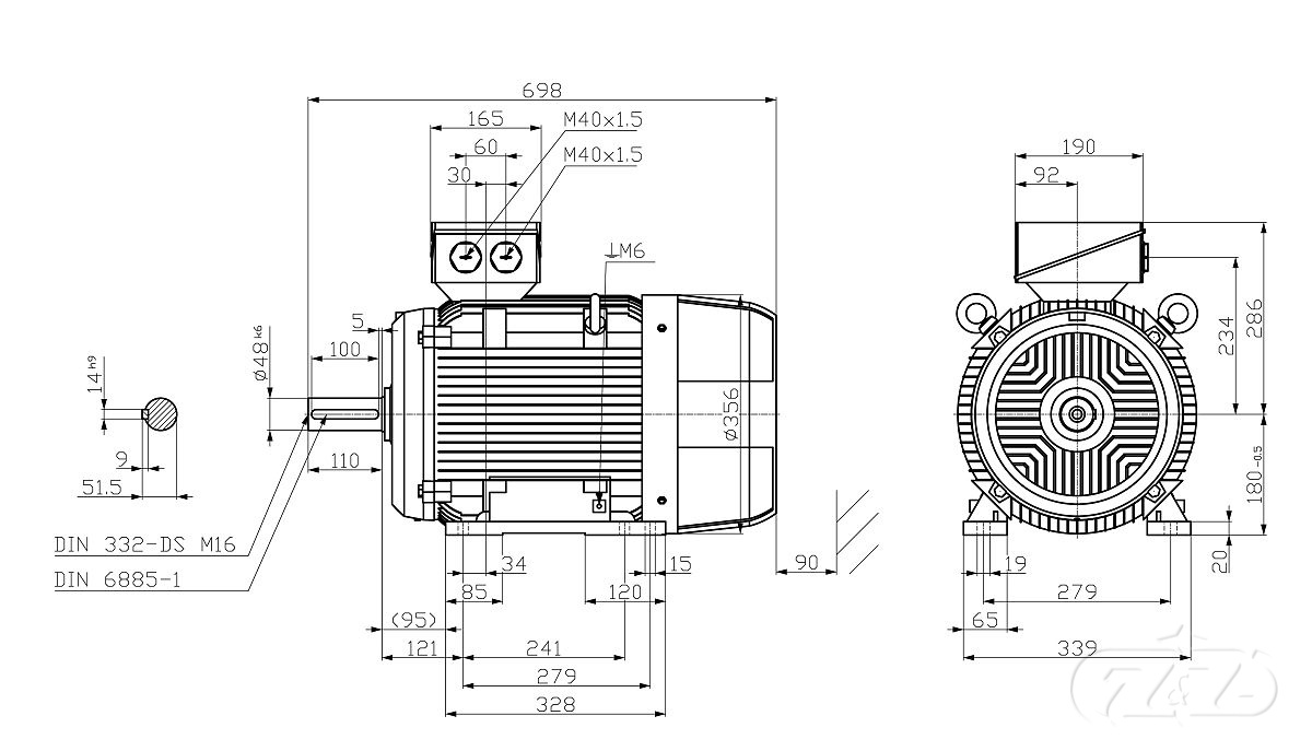
Velikost (osová výška): 180
Výkon: 22 kW
Otáčky: 1470 min-1
Napětí: 400/690V, 50Hz
Ložisko strana D 6310 C3
Ložisko strana ND 6310 C3
Krytí: IP55
Vyvážení motoru: stupeň vibrací A
Standardní nátěr: odstín RAL 7030
Váha: 170kg
OBVYKLÁ DODACÍ LHŮTA: 4 TÝDNY
Zboží zařazeno v kategoriích

