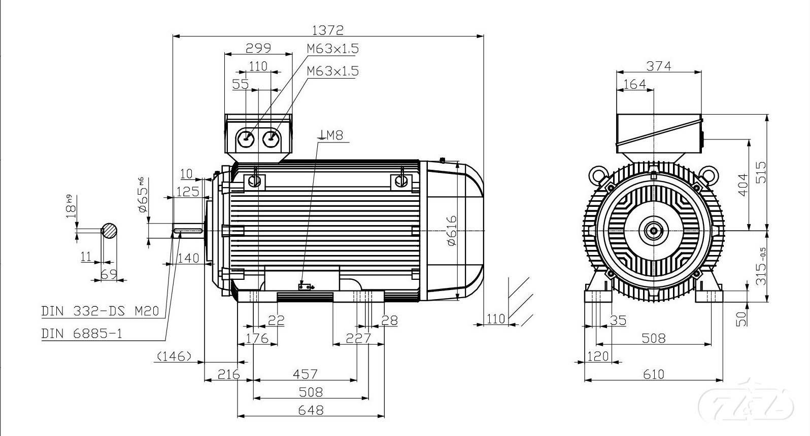
Elektromotor INNOMOTICS, 200kW, 2982ot., 1LE1503-3AA53-4AA4
- TOP produkt

Zpět
Další
- Kompletní specifikace
Elektromotor INNOMOTICS, 200kW, 2982ot., 1LE1503-3AA53-4AA4402 139 Kč/ ks332 346 Kč bez DPH
Kompletní specifikace
Velikost (osová výška): 315
Výkon: 200 kW
Otáčky: 2982 min-1
Napětí: 400/690V, 50Hz
Ložisko strana D 6316 C3
Ložisko strana ND 6316 C3
Krytí: IP55
Vyvážení motoru: stupeň vibrací A
Standardní nátěr: odstín RAL 7030
Váha: 1150kg
OBVYKLÁ DODACÍ LHŮTA: 7 TÝDNŮ
Zboží zařazeno v kategoriích

