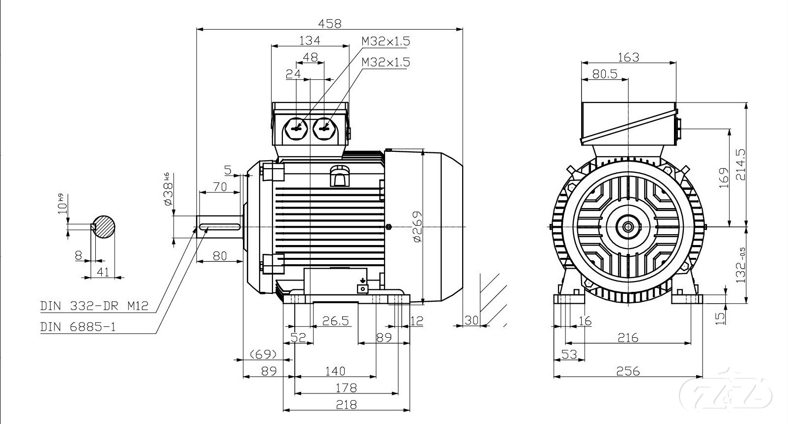
Elektromotor SIEMENS 2,2kW, 725ot., 1LE1603-1CD02-2AB4
- TOP produkt

Zpět
Další
- Kompletní specifikace
Elektromotor SIEMENS 2,2kW, 725ot., 1LE1603-1CD02-2AB424 615 Kč/ ks20 343 Kč bez DPH
Kompletní specifikace
Velikost (osová výška): 132
Výkon: 2,2 kW
Otáčky: 725 min-1
Napětí: 230/400V, 50Hz
Ložisko strana D 6308 2ZC3
Ložisko strana ND 6308 2ZC3
Krytí: IP55
Vyvážení motoru: stupeň vibrací A
Standardní nátěr: odstín RAL 7030
Váha: 60kg
OBVYKLÁ DODACÍ LHŮTA: 5-12 TÝDNŮ
Zboží zařazeno v kategoriích

