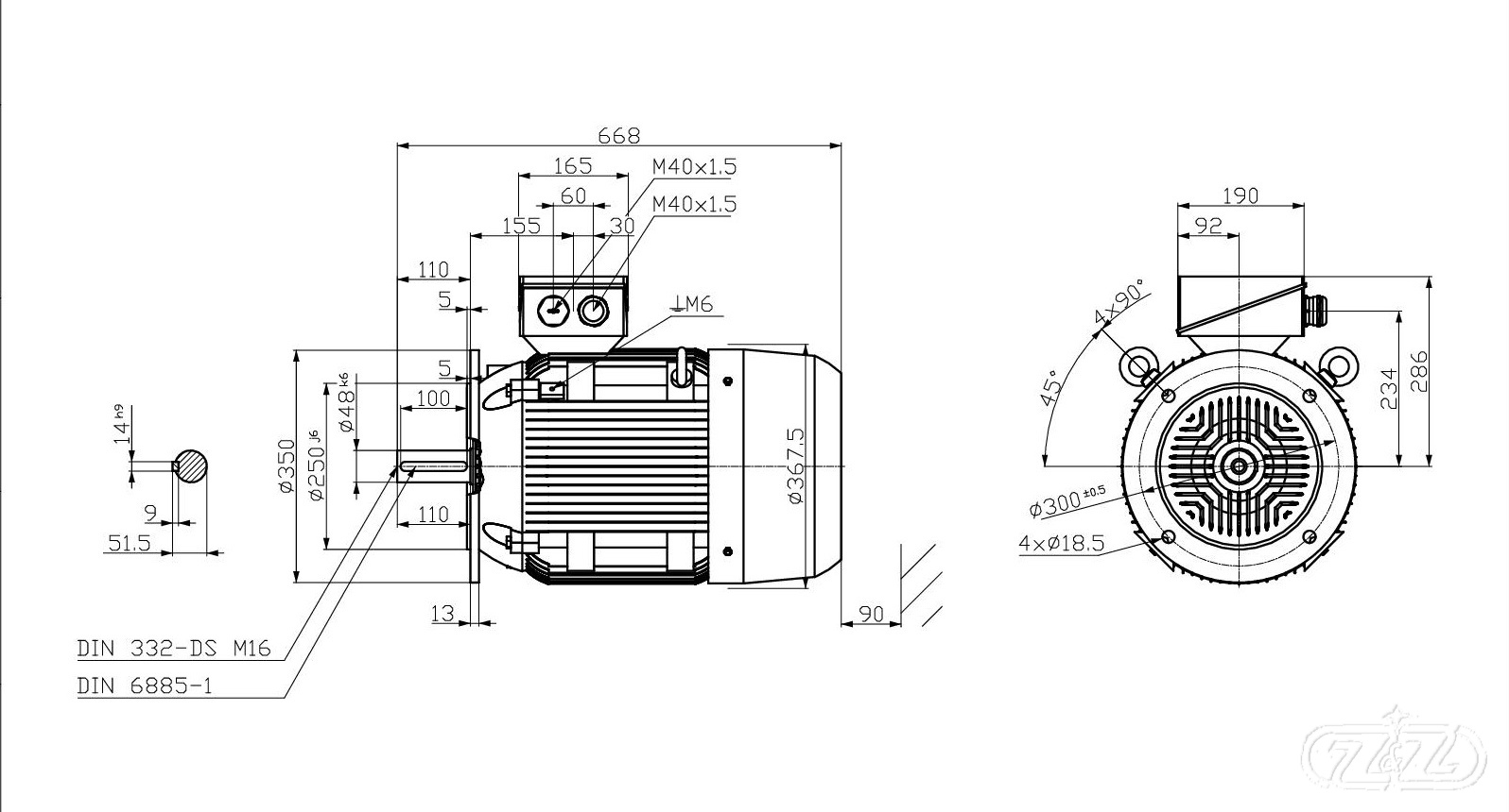
Elektromotor INNOMOTICS, 15kW, 975ot., 1MB1523-1EC43-4FA4

Zpět
Další
- Kompletní specifikace
Elektromotor INNOMOTICS, 15kW, 975ot., 1MB1523-1EC43-4FA464 059 Kč/ ks52 941 Kč bez DPH
Kompletní specifikace
Třída nevýbušnosti: Ex tc IIIB
Velikost (osová výška): 180
Výkon: 15 kW
Otáčky: 975 min-1
Napětí: 400/690V, 50Hz
Ložisko strana D 6210 ZC3
Ložisko strana ND 6210 ZC3
Krytí: IP55
Vyvážení motoru: stupeň vibrací A
Standardní nátěr: odstín RAL 7030
Váha: 180kg
OBVYKLÁ DODACÍ LHŮTA: 4-7 TÝDNŮ
Zboží zařazeno v kategoriích

