Elektromotor INNOMOTICS, 15kW, 1MB1023-1DA33-4FA4

Zpět
Další
- Kompletní specifikace
Elektromotor INNOMOTICS, 15kW, 1MB1023-1DA33-4FA437 025 Kč/ ks30 599 Kč bez DPH
Kompletní specifikace
Třída nevýbušnosti: Ex tc IIIB
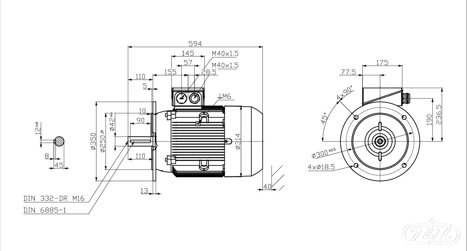
Velikost (osová výška): 160
Výkon: 15 kW
Otáčky: 2960 min-1
Napětí: 400/690V, 50Hz
Ložisko strana D 6209 2ZC3
Ložisko strana ND 6209 2ZC3
Krytí: IP55
Vyvážení motoru: stupeň vibrací A
Standardní nátěr: odstín RAL 7030
Váha: 84kg
OBVYKLÁ DODACÍ LHŮTA: 4-7 TÝDNŮ
Zboží zařazeno v kategoriích

