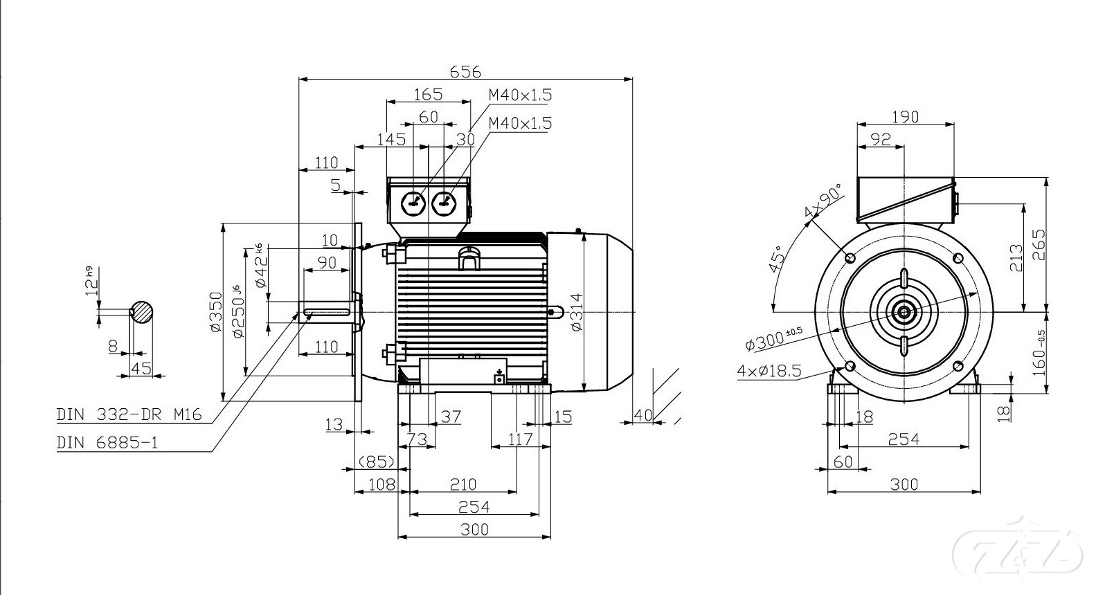
Elektromotor INNOMOTICS, 15kW, 1475ot., 1LE1603-1DB43-4JB4
- TOP produkt

Zpět
Další
- Kompletní specifikace
Elektromotor INNOMOTICS, 15kW, 1475ot., 1LE1603-1DB43-4JB444 978 Kč/ ks37 172 Kč bez DPH
Kompletní specifikace
Velikost (osová výška): 160
Výkon: 15 kW
Otáčky: 1475 min-1
Napětí: 400/690V, 50Hz
Ložisko strana D 6309 ZC3
Ložisko strana ND 6309 ZC3
Krytí: IP55
Vyvážení motoru: stupeň vibrací A
Standardní nátěr: odstín RAL 7030
Váha: 127kg
OBVYKLÁ DODACÍ LHŮTA: 4 TÝDNY
Zboží zařazeno v kategoriích

