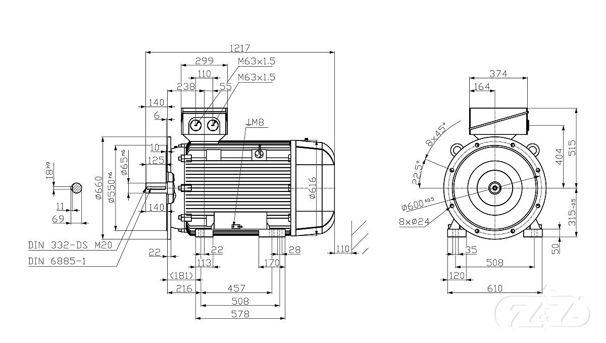
Elektromotor SIEMENS 132kW, 2982ot., 1LE1603-3AA23-4JB4
- TOP produkt

Zpět
Další
- Kompletní specifikace
Elektromotor SIEMENS 132kW, 2982ot., 1LE1603-3AA23-4JB4295 079 Kč/ ks243 867 Kč bez DPH
Kompletní specifikace
Velikost (osová výška): 315
Výkon: 132 kW
Otáčky: 2982 min-1
Napětí: 400/690V, 50Hz
Ložisko strana D 6219 C3
Ložisko strana ND 6219 C3
Krytí: IP55
Vyvážení motoru: stupeň vibrací A
Standardní nátěr: odstín RAL 7030
Váha: 775kg
OBVYKLÁ DODACÍ LHŮTA: 5-12 TÝDNŮ
Zboží zařazeno v kategoriích

