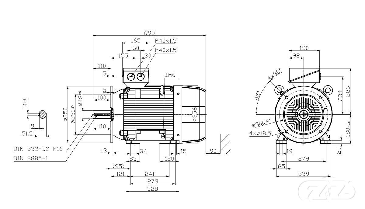
Elektromotor SIEMENS 11kW, 725ot., 1LE1603-1ED43-4JB4
- TOP produkt

Zpět
Další
- Kompletní specifikace
Elektromotor SIEMENS 11kW, 725ot., 1LE1603-1ED43-4JB471 052 Kč/ ks58 721 Kč bez DPH
Kompletní specifikace
Velikost (osová výška): 180
Výkon: 11 kW
Otáčky: 725 min-1
Napětí: 400/690V, 50Hz
Ložisko strana D 6310 C3
Ložisko strana ND 6310 C3
Krytí: IP55
Vyvážení motoru: stupeň vibrací A
Standardní nátěr: odstín RAL 7030
Váha: 190kg
OBVYKLÁ DODACÍ LHŮTA: 5-12 TÝDNŮ
Zboží zařazeno v kategoriích

